- Сообщений: 41
- Спасибо получено: 0
Как сделать плавномигающую светодиодную гирлянду??? Помогите
- Александр
-
Автор темы
- Не в сети
Less
Больше
21 июль 2009 14:33 #31
от Александр
Александр ответил в теме Как сделать плавномигающую светодиодную гирлянду??? Помогите
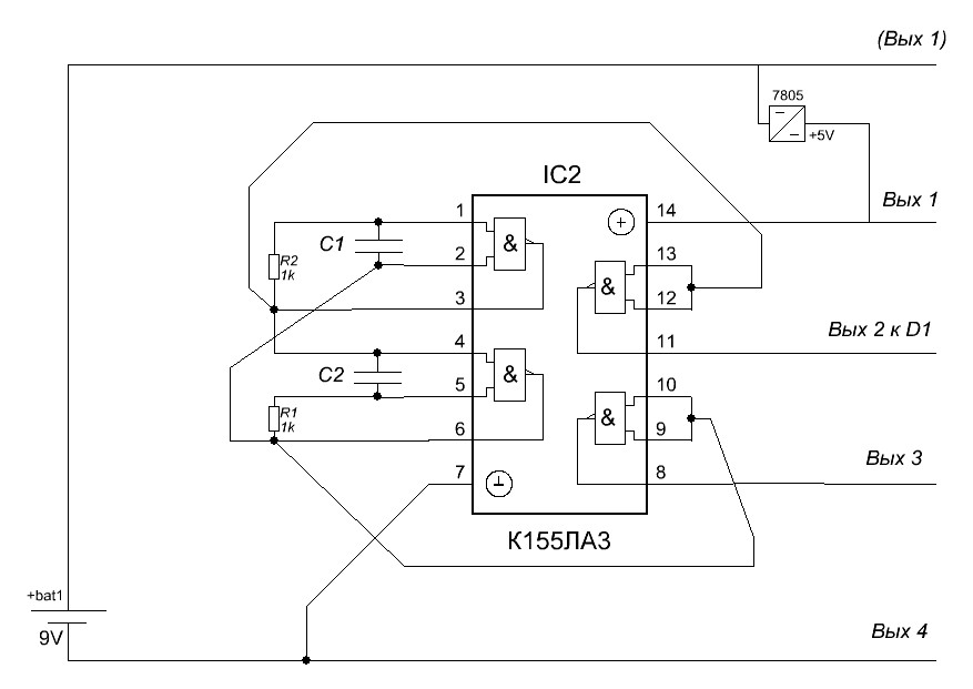
А все, понял, просто это я перепутал микрухи в проге ))) как я понимаю должно быть вот так как на прикрепленной схеме. а вот дальше не очень понимаю:
на моей схемеполучается 4 выхода - к 4-у как к "-" подключается схема плавного затухания;
ко 2-у, как мне подсказали раньше, подключается схема плавного затухания через диод на сопротивление и далее база транзистора;
А вот что делать с выходом 3, который идет с 8-ого вывода микросхемы? и что делать с 1 выходом и где он должен находиться: до стабилизатора или после, и что к нему подключается? схема плавного затухания как к "+" ?
на моей схемеполучается 4 выхода - к 4-у как к "-" подключается схема плавного затухания;
ко 2-у, как мне подсказали раньше, подключается схема плавного затухания через диод на сопротивление и далее база транзистора;
А вот что делать с выходом 3, который идет с 8-ого вывода микросхемы? и что делать с 1 выходом и где он должен находиться: до стабилизатора или после, и что к нему подключается? схема плавного затухания как к "+" ?
Вложения:
Пожалуйста Войти или Регистрация, чтобы присоединиться к беседе.
- Вячеслав
-
- Не в сети
Less
Больше
- Сообщений: 1245
- Спасибо получено: 31
21 июль 2009 17:47 #32
от Вячеслав
Вячеслав ответил в теме Как сделать плавномигающую светодиодную гирлянду??? Помогите
Схема абсолютно правильная. К 14-ой ножке микросхемы не подключается ничего так-как это питание самой микросхемы и кроме +5Вольт питания там ничего нет.
С 11-ой ножки на вход усилителя (Д1). Будет управлять одной ггирляндой.
С 8-ой ножки на вход второго такого-же усилителя (Д1).Будет управлять второй гирляндой.
Когда одна гирлянда будет загораться, вторая будет гаснуть и наоборот.
7-ю ножку соединяешь с минусом усилителя.
Но настраивать лучше сначала на одной гирлянде, как добьёшься плавного мигания второй усилитель делаешь идинтичный. При настройке 8-ю ножку пока не трогаешь.
Питание усилителя можешь брать с 9-ти Вольт микросхемы 7805, только ты не подключил корпус к средней ножке, без корпуса (минуса) 5Вольт не получишь, может забыл нарисовать?
Ещё задавай вопросы.
С 11-ой ножки на вход усилителя (Д1). Будет управлять одной ггирляндой.
С 8-ой ножки на вход второго такого-же усилителя (Д1).Будет управлять второй гирляндой.
Когда одна гирлянда будет загораться, вторая будет гаснуть и наоборот.
7-ю ножку соединяешь с минусом усилителя.
Но настраивать лучше сначала на одной гирлянде, как добьёшься плавного мигания второй усилитель делаешь идинтичный. При настройке 8-ю ножку пока не трогаешь.
Питание усилителя можешь брать с 9-ти Вольт микросхемы 7805, только ты не подключил корпус к средней ножке, без корпуса (минуса) 5Вольт не получишь, может забыл нарисовать?
Ещё задавай вопросы.
Пожалуйста Войти или Регистрация, чтобы присоединиться к беседе.
- Александр
-
Автор темы
- Не в сети
Less
Больше
- Сообщений: 41
- Спасибо получено: 0
22 июль 2009 01:49 #33
от Александр
Александр ответил в теме Как сделать плавномигающую светодиодную гирлянду??? Помогите
То есть к стабилизатору 7805 я на центральную ножку, на корпус, подключаю "-" от 9v питания?
и если у меня одна гирлянда, и нужно чтобы она плавно мигала?
просто у меня там две два варианта цветов - красная и белая. и в зависимости от положения переключателя меняется цвет, но одновременно они не горят.
Мне для этого не надо трогать 8 ножку просто, или как это должно быть?
и если у меня одна гирлянда, и нужно чтобы она плавно мигала?
просто у меня там две два варианта цветов - красная и белая. и в зависимости от положения переключателя меняется цвет, но одновременно они не горят.
Мне для этого не надо трогать 8 ножку просто, или как это должно быть?
Пожалуйста Войти или Регистрация, чтобы присоединиться к беседе.
- Doc
-
- Не в сети
22 июль 2009 05:04 #34
от Doc
Малое знание опасно, впрочем, как и большое....
Doc ответил в теме Как сделать плавномигающую светодиодную гирлянду??? Помогите
именно так
Малое знание опасно, впрочем, как и большое....
Пожалуйста Войти или Регистрация, чтобы присоединиться к беседе.
- Александр
-
Автор темы
- Не в сети
Less
Больше
- Сообщений: 41
- Спасибо получено: 0
22 июль 2009 09:17 #35
от Александр
Александр ответил в теме Как сделать плавномигающую светодиодную гирлянду??? Помогите
Спасибо)
Вот собрал полную схему. прикрепляю. Там все правильно?
И еще такой вопрос: как подобрать для схемы транзистор? не для этой, (ну идля этой тоже, к примеру). по каким параметрам понять какой транзистор подойдет?
Вот собрал полную схему. прикрепляю. Там все правильно?
И еще такой вопрос: как подобрать для схемы транзистор? не для этой, (ну идля этой тоже, к примеру). по каким параметрам понять какой транзистор подойдет?
Вложения:
Пожалуйста Войти или Регистрация, чтобы присоединиться к беседе.
Модераторы: Doc