Как сделать усилитель напряжения из операционного

Больше
24 янв 2012 15:08 - 24 янв 2012 16:19 #6 от Max
А среднюю точку двухполярного куда садить? Короче, подключил сегодня двухполярное питание к этому ОУ, а среднюю точку питания посадил на общий. Резисторы 1000/100 Ом, на вход подавал 1В. Без входного 1В на выходе получилось 1,2В, при подаче входного от 1В до 4В на выходе 6,25В и не меняется. Мерил относительно общего и выхода.
Последнее редактирование: 24 янв 2012 16:19 пользователем Max.

Пожалуйста Войти или Регистрация, чтобы присоединиться к беседе.

Больше
24 янв 2012 19:10 #7 от Вячеслав
По такому подключал и подавал сигнал, хоть схемку свою нарисуй.
Вложения:

Пожалуйста Войти или Регистрация, чтобы присоединиться к беседе.

Больше
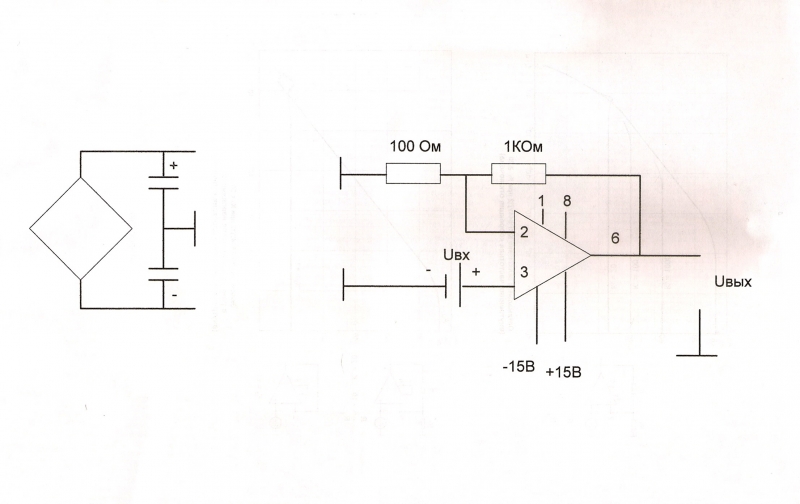
24 янв 2012 22:37 - 29 янв 2012 02:12 #8 от Max
Я подавал на вход постоянку, вечерком схемку нарисую. Но она та, что была в присланном тобой даташете, схемка неинвертирующего усилителя и добавил среднюю точку питания на общий.
Вложения:
Последнее редактирование: 29 янв 2012 02:12 пользователем Max.

Пожалуйста Войти или Регистрация, чтобы присоединиться к беседе.

Больше
29 янв 2012 10:43 #9 от Max
Вложения:

Пожалуйста Войти или Регистрация, чтобы присоединиться к беседе.

Больше
29 янв 2012 15:23 #10 от Вячеслав
И как ведёт себя напряжение на выходе от смены напряжения на входе?
Может стоит увеличить сопротивление до хотя бы 10кОм и поставить переменное. Первую ножку сопротивления на корпус, вторую на вторую микросхемы, третью на шестую микросхемы. И при разном положении движка пробовать характеристики.

Пожалуйста Войти или Регистрация, чтобы присоединиться к беседе.

Модераторы: Doc
Вся информация, предоставленная на данном ресурсе разрешена к ознакомлению детям школьного возраста. Все практическое использование может быть связана с повышенной электрической опасностью и разрешено детям только под присмотром взрослых.