- Сообщений: 1245
- Спасибо получено: 31
Как сделать усилитель напряжения из операционного
- Вячеслав
-
- Не в сети
Less
Больше
12 фев 2012 11:20 #46
от Вячеслав
Вячеслав ответил в теме Re: Как сделать усилитель напряжения из операционного
Так оно не грузилось ни в каком формате, оказывается только английские названия понимает.
А то что третья на корпус, так это хорошо.
А то что третья на корпус, так это хорошо.
Пожалуйста Войти или Регистрация, чтобы присоединиться к беседе.
- Max
-
Автор темы
- Не в сети
Less
Больше
- Сообщений: 38
- Спасибо получено: 0
12 фев 2012 11:51 #47
от Max
Max ответил в теме Re: Как сделать усилитель напряжения из операционного
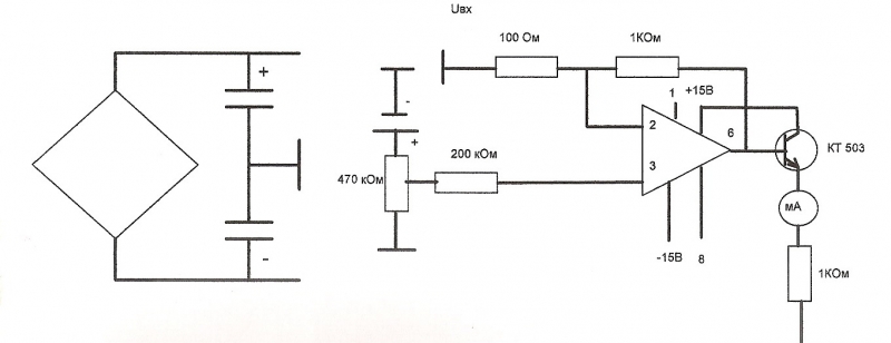
Вот и я с неуверенностью собрал эту схему, но получилось более менее стабильно. На холостом ходу, т.е. без входного воздействия уже 3 мА на вызоде, при подключении электрода, ток подскакивает и постепенно падает до какой величины не стал проверять, завтра попробую погонять его по дольше. Вот получившаяся схема
Вложения:
Пожалуйста Войти или Регистрация, чтобы присоединиться к беседе.
- Вячеслав
-
- Не в сети
Less
Больше
- Сообщений: 1245
- Спасибо получено: 31
12 фев 2012 12:27 #48
от Вячеслав
Вячеслав ответил в теме Re: Как сделать усилитель напряжения из операционного
Слишком большой дисбаланс входных токов. Измени сопротивления на обратной связи вместо 100 Ом - 100кОм, вместо 100кОм - 1МОМ
Пожалуйста Войти или Регистрация, чтобы присоединиться к беседе.
- Вячеслав
-
- Не в сети
Less
Больше
- Сообщений: 1245
- Спасибо получено: 31
12 фев 2012 12:30 #49
от Вячеслав
Вячеслав ответил в теме Как сделать усилитель напряжения из операционного
Скорей всего даже 220кОм и 2.2МОм. В общем смотри с какими будет стабильнее.
Пожалуйста Войти или Регистрация, чтобы присоединиться к беседе.
- Max
-
Автор темы
- Не в сети
Less
Больше
- Сообщений: 38
- Спасибо получено: 0
12 фев 2012 14:44 #50
от Max
Max ответил в теме Re: Как сделать усилитель напряжения из операционного
первое и второе значение (100 Ом на 100 кОм; 100кОм на 1мОм)это R1 и R2, или просто меняешь сперва одно сопротивление обратной связи а потом это же сопротивление меняешь на большее?
Пожалуйста Войти или Регистрация, чтобы присоединиться к беседе.
Модераторы: Doc