Преоброзователь Видео сигнала

Больше
16 мая 2013 14:33 #6 от Doc
в этих схемах опять таки синхронизации строчная и кадровая идут по отдельным проводам (разделены) а у меня они идут в смеси (один провод)

Малое знание опасно, впрочем, как и большое....

Пожалуйста Войти или Регистрация, чтобы присоединиться к беседе.

Больше
16 мая 2013 15:54 - 16 мая 2013 16:07 #7 от Rrenovatio
Rrenovatio ответил в теме Преоброзователь Видео сигнала
дружище, у тебя в схеме должно стоять что то типа этого:



селектор синхроимпуль­сов соединяет сигналы и потому они у тебя и идут одним проводом, но пойми чудес не бывает это два разных сигнала и они идут от разных источников ( строчный и кадровый генератор... или что там у тебя стоит без разницы)
поэтому нужно отследить по схеме где у тебя стоит этот фазовый детектор
и взять сигналы до него!
или спаять что то типа этого "селектора синхроимпуль­сов" он разделит сигналы в два провода и ты его подключишь:

к схеме

потому как с одним проводом схем ещё как бы не встречал...
:silly:
Вложения:
Последнее редактирование: 16 мая 2013 16:07 пользователем Rrenovatio.

Пожалуйста Войти или Регистрация, чтобы присоединиться к беседе.

Больше
16 мая 2013 16:47 #8 от Вячеслав
Вячеслав ответил в теме Преоброзователь Видео сигнала
В каждом сигнале, что R, что G, что B идёт порог строки и кадра. Т.е. кажная строка одним сигналом, между ними строчный синхроимпульс. После 365 строк идёт кадровый импульс, он по длине гораздо больше. Синхронизация идёт именно по ним. Как они разделяются из видеосигнала (что в сущности сигнал контрастности) я представление имею. Но чтоб назад суммировать три сигнала в один - я не встречал и не задумывался над этим.

Пожалуйста Войти или Регистрация, чтобы присоединиться к беседе.

Больше
16 мая 2013 22:04 #9 от Rrenovatio

Пожалуйста Войти или Регистрация, чтобы присоединиться к беседе.

Больше
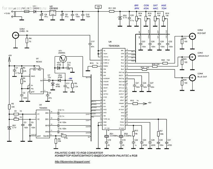
16 мая 2013 22:07 - 16 мая 2013 22:11 #10 от Rrenovatio
Rrenovatio ответил в теме Преоброзователь Видео сигнала
и обратно с одного в три! ну это так для инфы...



we.easyelectronics.ru/autoelectro/podkly...-cvbs-v-rgbsync.html
Вложения:
Последнее редактирование: 16 мая 2013 22:11 пользователем Rrenovatio.

Пожалуйста Войти или Регистрация, чтобы присоединиться к беседе.

Модераторы: Doc
Вся информация, предоставленная на данном ресурсе разрешена к ознакомлению детям школьного возраста. Все практическое использование может быть связана с повышенной электрической опасностью и разрешено детям только под присмотром взрослых.