Преоброзователь Видео сигнала
- Doc
-
Автор темы
- Не в сети
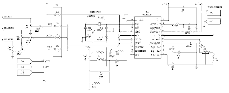
Rrenovatio пишет: селектор синхроимпульсов соединяет сигналы и потому они у тебя и идут одним проводом, но пойми чудес не бывает это два разных сигнала и они идут от разных источников ( строчный и кадровый генератор... или что там у тебя стоит без разницы)
поэтому нужно отследить по схеме где у тебя стоит этот фазовый детектор
и взять сигналы до него!
или спаять что то типа этого "селектора синхроимпульсов" он разделит сигналы в два провода и ты его подключишь:
отнюдь - у меня синхронность формируется непосредственно процессором (ATMEGA 128)
Малое знание опасно, впрочем, как и большое....
Пожалуйста Войти или Регистрация, чтобы присоединиться к беседе.
- Doc
-
Автор темы
- Не в сети
Малое знание опасно, впрочем, как и большое....
Пожалуйста Войти или Регистрация, чтобы присоединиться к беседе.
- Rrenovatio
-
- Не в сети
- Сообщений: 2505
- Спасибо получено: 78
Пожалуйста Войти или Регистрация, чтобы присоединиться к беседе.
- Doc
-
Автор темы
- Не в сети
Малое знание опасно, впрочем, как и большое....
Пожалуйста Войти или Регистрация, чтобы присоединиться к беседе.
- Rrenovatio
-
- Не в сети
- Сообщений: 2505
- Спасибо получено: 78
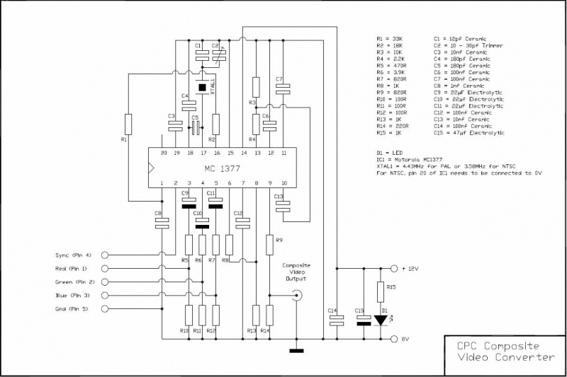
нашёл получше, помоему тоже самое...
а вобще тут помоему то что тебе нужно!
vrtp.ru/index.php?showtopic=19839
в последнем посте чел пишет: Всё получилось, кодер работает нормально!
желаю всех благ в повторении...
Пожалуйста Войти или Регистрация, чтобы присоединиться к беседе.