- Сообщений: 186
- Спасибо получено: 1
стробоскоп для установки УОЗ
- zak
-
Автор темы
- Не в сети
Less
Больше
27 апр 2012 03:02 #1
от zak
zak создал тему: стробоскоп для установки УОЗ
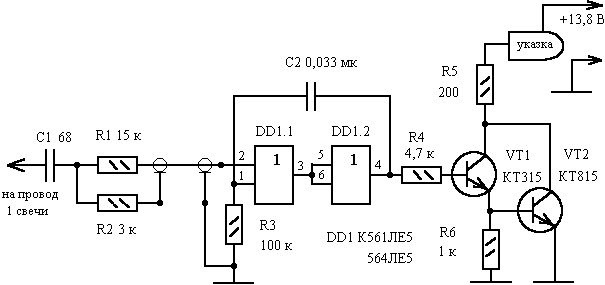
Есть в инете вот такой стробоскопчик для авто! срочно надо сгондобить такой девайс! пошарив в закромах своей радиолюбительской молодости не смог найти ЛЕ! но нашол 561ЛА7 и 561ЛН2 (есть еще всякие тригеры 155тм но к ним надо стабилизатор циплять неохото) возможно как-то переделать схемку под нашедшуюся логику у меня? если да то помогите со схемкой чот-то сам не могу сообразить(
Вложения:
Пожалуйста Войти или Регистрация, чтобы присоединиться к беседе.
- Вячеслав
-
- Не в сети
Less
Больше
- Сообщений: 1245
- Спасибо получено: 31
27 апр 2012 06:32 #2
от Вячеслав
Вячеслав ответил в теме стробоскоп для установки УОЗ
Если DD1.2 тупо один к одному по работе ЛЕ5 и ЛА7, то DD1.1 может вызвать проблемы т.к. на ЛЕ5 единица на выходе только когда на входе оба ноля. А у ЛА7 единица ещё и когда на одном из входов будет единица. Распайка один к одному, так что можешь проэкперементировать, может и будет работать правда свечение указки упадёт по моему мнению.
Пожалуйста Войти или Регистрация, чтобы присоединиться к беседе.
- Вячеслав
-
- Не в сети
Less
Больше
- Сообщений: 1245
- Спасибо получено: 31
27 апр 2012 06:41 #3
от Вячеслав
Вячеслав ответил в теме стробоскоп для установки УОЗ
При сборке ставь микросхему на тангетку, если не пойдёт нормально просто купишь ЛЕ5 и переставишь. 10 секунд займёт.
Пожалуйста Войти или Регистрация, чтобы присоединиться к беседе.
- zak
-
Автор темы
- Не в сети
Less
Больше
- Сообщений: 186
- Спасибо получено: 1
27 апр 2012 12:37 - 27 апр 2012 12:38 #4
от zak
zak ответил в теме стробоскоп для установки УОЗ
спасибо за совет буду пробовать! а вот есть еще подобная схема на 561тм2, её возможно на 155тм2 заменить при условии что я сделаю ей питание 5 в?
Вложения:
Последнее редактирование: 27 апр 2012 12:38 пользователем zak.
Пожалуйста Войти или Регистрация, чтобы присоединиться к беседе.
- Вячеслав
-
- Не в сети
Less
Больше
- Сообщений: 1245
- Спасибо получено: 31
27 апр 2012 16:17 #5
от Вячеслав
Вячеслав ответил в теме Re: стробоскоп для установки УОЗ
Вложения:
Пожалуйста Войти или Регистрация, чтобы присоединиться к беседе.
Модераторы: Doc