Нужна помощь по Алан 18

Больше
13 нояб 2010 06:35 #1 от Алексей
Алексей создал тему: Нужна помощь по Алан 18
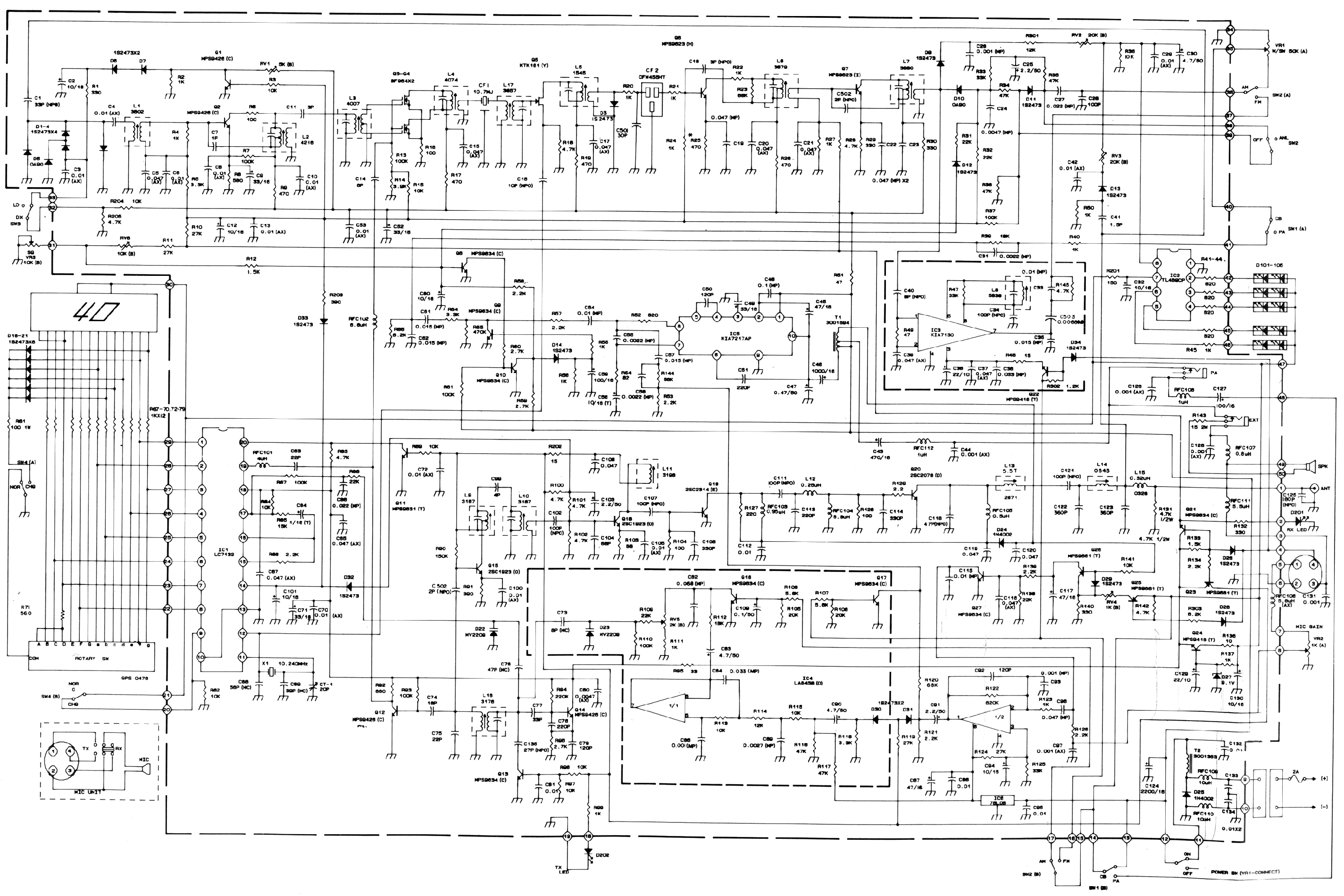
Всем привет! Хотелось бы узнать можно ли алан 18 си-би переделать с родной сетки в сетку F ит каким образом , может кто эксперементировал? Заранее всем спасибо!
Вложения:

Пожалуйста Войти или Регистрация, чтобы присоединиться к беседе.

Модераторы: Doc
Вся информация, предоставленная на данном ресурсе разрешена к ознакомлению детям школьного возраста. Все практическое использование может быть связана с повышенной электрической опасностью и разрешено детям только под присмотром взрослых.