схема Генератора Высокой Частоты

Больше
28 янв 2009 20:44 #1 от Роман
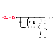
Вопрос ко всем, кто разбирается в передатчиках. Вот схему генератора срисовал с буржуйского раиомикрофона. Сам радиомикрофон работает от одной пальчиковой батарейки и пробивает 500 метров на частоте 130 мГц весь секрет в том, что в схеме стоит преобразователь напряжения на 9 вольт ну и микрофонный усилитель. Короче вопрос к схеме самого генератора: минуя преобразователь я подаю питание на генератор от 2,5 до 12 вольт - частота стоит мёртво! Кварца нет и никакого ухода частоты относительно антенны и предметов - тоже нет. Откуда берётся стабилизация? В схеме частоту задаёт L1 , а спектр частоты C1, тем не менее антенный выход идет с коллектора. ?
Вложения:

Пожалуйста Войти или Регистрация, чтобы присоединиться к беседе.

Больше
29 янв 2009 06:30 #2 от Виталий
Виталий ответил в теме схема Генератора Высокой Частоты
А можно полную схему-то? очень интересная однако=)

Пожалуйста Войти или Регистрация, чтобы присоединиться к беседе.

Больше
29 янв 2009 06:34 #3 от Виталий
Виталий ответил в теме схема Генератора Высокой Частоты
Я думаю стабильность обеспечивается в способе связи антенны с генератором-антенна не подключается через всяческие катушки индуктивности и следовательно её относительное местоположение практически не влияет на частоту генератора...

Пожалуйста Войти или Регистрация, чтобы присоединиться к беседе.

  • }|{
  • }|{ аватар
Больше
29 янв 2009 07:09 #4 от }|{
Думаю, вопрос не совсем корректный. Укажи чем измеряешь и с какой точностью.

Пожалуйста Войти или Регистрация, чтобы присоединиться к беседе.

  • gutor
  • gutor аватар
Больше
29 янв 2009 07:38 #5 от gutor
Может между катушкой L1 и выводом базы транзистора стоит кварц?, у меня такой есть один с виду конденсатор, а оказался кварц. И если можно номиналы схемки.

Пожалуйста Войти или Регистрация, чтобы присоединиться к беседе.

Модераторы: Doc
Вся информация, предоставленная на данном ресурсе разрешена к ознакомлению детям школьного возраста. Все практическое использование может быть связана с повышенной электрической опасностью и разрешено детям только под присмотром взрослых.