- Спасибо получено: 0
счетчик на 1000
- xardas
-
Автор темы
Less
Больше
21 март 2007 05:11 #1
от xardas
xardas создал тему: счетчик на 1000
Доброго времени суток обитателям форума.
Хотел попросить совет:
у меня задача, на входе подается сигнал с частотой 100 кГц, как получить 100Гц на выходе? :oops: есть ла такие счетчики.
и можно ли такое сделать если соединить 3 декады?
Хотел попросить совет:
у меня задача, на входе подается сигнал с частотой 100 кГц, как получить 100Гц на выходе? :oops: есть ла такие счетчики.
и можно ли такое сделать если соединить 3 декады?
Тема заблокирована.
- Звук
-
Less
Больше
- Спасибо получено: 0
21 март 2007 09:51 #2
от Звук
Звук ответил в теме счетчик на 1000
Куда именно подаётся и что именно, чстотой 100КГц?
Тема заблокирована.
- Doc
-
- Не в сети
21 март 2007 12:49 #3
от Doc
Малое знание опасно, впрочем, как и большое....
Doc ответил в теме счетчик на 1000
ставиш подряд три счетчика делителя К155ИЕ6 или 561ИЕ6 (все зависи от того какаяие у тебя элэменты в схеме
Малое знание опасно, впрочем, как и большое....
Тема заблокирована.
- MKsoft
-
Less
Больше
- Спасибо получено: 0
21 март 2007 19:53 #4
от MKsoft
MKsoft ответил в теме счетчик на 1000
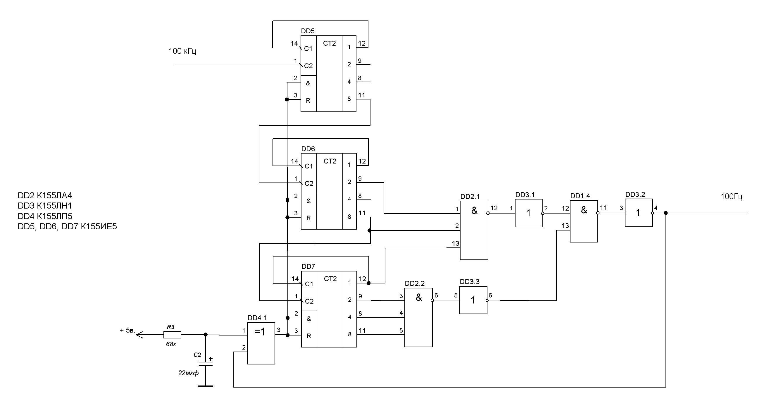
Конечно можно, вот набросок
Вложения:
Тема заблокирована.
- xardas
-
Автор темы
Less
Больше
- Спасибо получено: 0
27 март 2007 01:38 #5
от xardas
xardas ответил в теме счетчик на 1000
я тут в нете нашарил что данная схема - счетчик с коэф. пересчета 10, но у меня подозрения что здесь К=20, может я перепутал?
Вложения:
Тема заблокирована.
Модераторы: Doc