- Сообщений: 2505
- Спасибо получено: 78
Контроллер питания.
- Rrenovatio
-
Автор темы
- Не в сети
Less
Больше
05 апр 2016 19:21 #1
от Rrenovatio
Rrenovatio создал тему: Контроллер питания.
Имеем - Контроллер питания, с планшетного аккумулятора.
для тех кто в танке, это такая штука которая при полном заряде
литий ионных аккумуляторов отключает заряд, что бы исключить перезаряд последних,
т.к. они критичны к перезаряду!
Нужно на его основе что то там добавить, вот пока думаю что? :whistle:
что бы при его помощи можно было бы заряжать
целую батарею аккумуляторов!
Ток заряда соответственно высокий, очень даже высокий - не один контроллер не выдержит!
а подставлять под каждый АК свой контроллер НЕ НАПАСЁШЬСЯ,
да и нету столько много ...
вот думаю, а если как то туда воткнуть реле!!! :woohoo:
и весь ток заряда пустить через него!

а когда все АК насытятся зарядом, контроллер это увидит и отключит реле!
А?
кто чего думает???
для тех кто в танке, это такая штука которая при полном заряде
литий ионных аккумуляторов отключает заряд, что бы исключить перезаряд последних,
т.к. они критичны к перезаряду!
Нужно на его основе что то там добавить, вот пока думаю что? :whistle:
что бы при его помощи можно было бы заряжать
целую батарею аккумуляторов!
Ток заряда соответственно высокий, очень даже высокий - не один контроллер не выдержит!
а подставлять под каждый АК свой контроллер НЕ НАПАСЁШЬСЯ,
да и нету столько много ...
вот думаю, а если как то туда воткнуть реле!!! :woohoo:
и весь ток заряда пустить через него!
а когда все АК насытятся зарядом, контроллер это увидит и отключит реле!
А?
кто чего думает???
Пожалуйста Войти или Регистрация, чтобы присоединиться к беседе.
- Rrenovatio
-
Автор темы
- Не в сети
Less
Больше
- Сообщений: 2505
- Спасибо получено: 78
05 апр 2016 20:03 - 05 апр 2016 20:07 #2
от Rrenovatio
Rrenovatio ответил в теме Контроллер питания.
а если в цепь питания контроллера через обмотку реле?
ток заряда пошёл, реле сработало и через него заряжает!
АК зарядился, ток уходит в минимум и прекращается,
через реле обмотки - тока нет, реле отключилось - заряд завершён!!!
:woohoo: :woohoo: :woohoo:
кто что думает?
от блин отпадает :dry:
через реле будет поступать полный ток и вольтаж зарядки!
контроллер сразу и ОТКЛЮЧИТСЯ!!!
согласовать как то нужно...
ток заряда пошёл, реле сработало и через него заряжает!
АК зарядился, ток уходит в минимум и прекращается,
через реле обмотки - тока нет, реле отключилось - заряд завершён!!!
:woohoo: :woohoo: :woohoo:
кто что думает?
от блин отпадает :dry:
через реле будет поступать полный ток и вольтаж зарядки!
контроллер сразу и ОТКЛЮЧИТСЯ!!!
согласовать как то нужно...
Вложения:
Последнее редактирование: 05 апр 2016 20:07 пользователем Rrenovatio.
Пожалуйста Войти или Регистрация, чтобы присоединиться к беседе.
- Николай Петрович
-
- Не в сети
Less
Больше
- Сообщений: 1116
- Спасибо получено: 46
06 апр 2016 06:00 - 06 апр 2016 07:04 #3
от Николай Петрович
Николай Петрович ответил в теме Контроллер питания.
Вложения:
Последнее редактирование: 06 апр 2016 07:04 пользователем Николай Петрович.
Пожалуйста Войти или Регистрация, чтобы присоединиться к беседе.
- Rrenovatio
-
Автор темы
- Не в сети
Less
Больше
- Сообщений: 2505
- Спасибо получено: 78
06 апр 2016 07:35 #4
от Rrenovatio
Rrenovatio ответил в теме Контроллер питания.
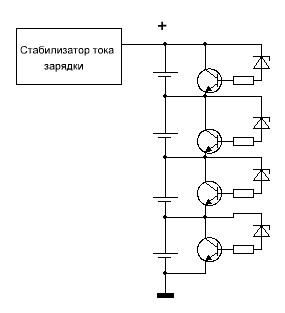
Последовательно с каждым элементом по предохранителю
и параллельно каждого предохранителя светодиод.
если один из элементов замкнёт, сгорит предохранитель и
засветится светодиод подавая сигнал о повреждении.

Просто контроллер отключит все элементы при полном заряде!
и перезаряда не будет, а эта будет продолжать заряжать и дальше!!!
и параллельно каждого предохранителя светодиод.
если один из элементов замкнёт, сгорит предохранитель и
засветится светодиод подавая сигнал о повреждении.
Просто контроллер отключит все элементы при полном заряде!
и перезаряда не будет, а эта будет продолжать заряжать и дальше!!!
Пожалуйста Войти или Регистрация, чтобы присоединиться к беседе.
- Aleksanders
-
- Не в сети
Less
Больше
- Сообщений: 616
- Спасибо получено: 11
06 апр 2016 08:14 #5
от Aleksanders
Aleksanders ответил в теме Контроллер питания.
Я вот такую
www.ebay.com/itm/271501955800
фигню купил и не парюсь. Можно втыкать в обычную USB зарядку вместе с телефоном.
Пожалуйста Войти или Регистрация, чтобы присоединиться к беседе.
Модераторы: Doc