- Сообщений: 13
- Спасибо получено: 0
LP2950-3.0 с увеличением тока в нагрузке
- Сергей
-
Автор темы
- Не в сети
Less
Больше
28 апр 2015 17:27 #1
от Сергей
Сергей создал тему: LP2950-3.0 с увеличением тока в нагрузке
Всем привет!
Поиск по форуму ответа не дал, поэтому спрашиваю отдельно:
есть моторчик, питающийся от двух пальчиковых батарей по 1,5 в. И есть потребность питать этот моторчик от сети через стабилизатор. И есть этот самый стабилизатор, но он может выдать лишь 0,1 А. Моторчик высасывает 0,5 А. И ещё есть транзистор КТ807Б.
Внимание! Вопрос:
можно ли увеличить выдаваемый стабилизатором ток с помощью этого транзистора, и если да, то какова схема?
В даташите на стабилизатор внятного ответа не нашёл.
Заранее спасибо
Поиск по форуму ответа не дал, поэтому спрашиваю отдельно:
есть моторчик, питающийся от двух пальчиковых батарей по 1,5 в. И есть потребность питать этот моторчик от сети через стабилизатор. И есть этот самый стабилизатор, но он может выдать лишь 0,1 А. Моторчик высасывает 0,5 А. И ещё есть транзистор КТ807Б.
Внимание! Вопрос:
можно ли увеличить выдаваемый стабилизатором ток с помощью этого транзистора, и если да, то какова схема?
В даташите на стабилизатор внятного ответа не нашёл.
Заранее спасибо
Пожалуйста Войти или Регистрация, чтобы присоединиться к беседе.
- Сергей
-
Автор темы
- Не в сети
Less
Больше
- Сообщений: 13
- Спасибо получено: 0
29 апр 2015 09:37 #2
от Сергей
Сергей ответил в теме LP2950-3.0 с увеличением тока в нагрузке
Алло! кто-нибудь! Неужели никто не знает?
Пожалуйста Войти или Регистрация, чтобы присоединиться к беседе.
- Николай Петрович
-
- Не в сети
Less
Больше
- Сообщений: 1116
- Спасибо получено: 46
30 апр 2015 08:27 - 30 апр 2015 08:34 #3
от Николай Петрович
Николай Петрович ответил в теме LP2950-3.0 с увеличением тока в нагрузке
На Ваш вопрос ответить не возможно. Нам не известно что за стабилизатор у Вас. Какова его схема, мощность. А это нужно знать, что бы дать конкретные рекомендации.
Последнее редактирование: 30 апр 2015 08:34 пользователем Николай Петрович.
Пожалуйста Войти или Регистрация, чтобы присоединиться к беседе.
- Doc
-
- Не в сети
30 апр 2015 21:18 #4
от Doc
Малое знание опасно, впрочем, как и большое....
Doc ответил в теме LP2950-3.0 с увеличением тока в нагрузке
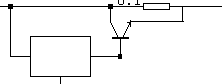
можно вот так
резистор 0.1 Ом
резистор 0.1 Ом
Малое знание опасно, впрочем, как и большое....
Вложения:
Пожалуйста Войти или Регистрация, чтобы присоединиться к беседе.
- Сергей
-
Автор темы
- Не в сети
Less
Больше
- Сообщений: 13
- Спасибо получено: 0
30 апр 2015 21:30 #5
от Сергей
Сергей ответил в теме LP2950-3.0 с увеличением тока в нагрузке
стабилизатор - LP2950-30, на 3,0 в и ток 0,1А. Какова его схема? - привожу даташит.
А нужно питать моторчик на 3 вольта, и жрёт он (моторчик) около 0,5 А (0,4-0,45) - точно не скажу.
Вот на эти-то параметры (3в / 0,5А) и надо схему стабилизатора с транзистором.
А нужно питать моторчик на 3 вольта, и жрёт он (моторчик) около 0,5 А (0,4-0,45) - точно не скажу.
Вот на эти-то параметры (3в / 0,5А) и надо схему стабилизатора с транзистором.
Пожалуйста Войти или Регистрация, чтобы присоединиться к беседе.
Модераторы: Doc