Таймер с автоматическим отключением от питания и управлением одной кнопкой.
- Doc
-
- Не в сети
Less
Больше
12 фев 2015 15:20 - 12 фев 2015 16:37 #6
от Doc
Малое знание опасно, впрочем, как и большое....
Doc ответил в теме Таймер с автоматическим отключением от питания и управлением одной кнопкой.
все выложилось, ждало проверки модераторм ... только в первом случаи Вы не правильно выбрал раздел (улетело в Обзоры)
только схемы там нет.
файлы добавляться вот через эту кнопку в пенале редактирования
только схемы там нет.
файлы добавляться вот через эту кнопку в пенале редактирования
Малое знание опасно, впрочем, как и большое....
Вложения:
Последнее редактирование: 12 фев 2015 16:37 пользователем Doc.
Пожалуйста Войти или Регистрация, чтобы присоединиться к беседе.
- Николай Петрович
-
Автор темы
- Не в сети
Less
Больше
- Сообщений: 1116
- Спасибо получено: 46
12 фев 2015 18:43 - 12 фев 2015 19:38 #7
от Николай Петрович
Николай Петрович ответил в теме Таймер с автоматическим отключением от питания и управлением одной кнопкой.
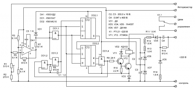
Ну, если ещё чего удастся придумать, попытаюсь сделать так. Как понимаю, это Вы добавили схемы, за что очень благодарен. Пользуясь случаем, хочу спросить: как Вы считаете, стоит ли подготовить и выложить там-же мои разработки это помехоустойчивое фотореле, генератор на одном элементе исключающее ИЛИ, автомат управления ходовыми огнями автотранспорта? В разное время выкладывал их на форуме.
www.radio-portal.ru/kunena/auto/23853-av...-avtotransporta.html
www.radio-portal.ru/kunena/radiolyubitel...chivoe-fotorele.html
www.radio-portal.ru/kunena/radiolyubitel...chayushchem-ili.html
www.radio-portal.ru/kunena/auto/23853-av...-avtotransporta.html
www.radio-portal.ru/kunena/radiolyubitel...chivoe-fotorele.html
www.radio-portal.ru/kunena/radiolyubitel...chayushchem-ili.html
Последнее редактирование: 12 фев 2015 19:38 пользователем Николай Петрович.
Пожалуйста Войти или Регистрация, чтобы присоединиться к беседе.
- Doc
-
- Не в сети
12 фев 2015 20:46 #8
от Doc
Малое знание опасно, впрочем, как и большое....
Doc ответил в теме Таймер с автоматическим отключением от питания и управлением одной кнопкой.
думаю стоит
Малое знание опасно, впрочем, как и большое....
Пожалуйста Войти или Регистрация, чтобы присоединиться к беседе.
- Николай Петрович
-
Автор темы
- Не в сети
Less
Больше
- Сообщений: 1116
- Спасибо получено: 46
14 фев 2015 16:13 - 14 фев 2015 17:07 #9
от Николай Петрович
Николай Петрович ответил в теме Таймер с автоматическим отключением от питания и управлением одной кнопкой.
Вложения:
Последнее редактирование: 14 фев 2015 17:07 пользователем Николай Петрович.
Пожалуйста Войти или Регистрация, чтобы присоединиться к беседе.
- Doc
-
- Не в сети
15 фев 2015 09:31 #10
от Doc
Малое знание опасно, впрочем, как и большое....
Doc ответил в теме Таймер с автоматическим отключением от питания и управлением одной кнопкой.
если расширение заглавными то так и будет
Малое знание опасно, впрочем, как и большое....
Пожалуйста Войти или Регистрация, чтобы присоединиться к беседе.
Модераторы: Doc