Тестер для сетевого кабеля

  • jdkir
  • jdkir аватар Автор темы
Больше
29 янв 2007 15:48 #1 от jdkir
Кому нибудь попадалась схемка для того что б собрать тестер для сетевого кабеля...у монтажников такие есть состоят из 2 блоков, один активный второй пассивный...как мне кажется там ничего сложного...

Пожалуйста Войти или Регистрация, чтобы присоединиться к беседе.

  • K01I
  • K01I аватар
Больше
29 янв 2007 17:44 #2 от K01I
K01I ответил в теме Тестер для сетевого кабеля
напиши требования измерения(чо он делать должен)

Пожалуйста Войти или Регистрация, чтобы присоединиться к беседе.

  • jdkir
  • jdkir аватар Автор темы
Больше
30 янв 2007 10:16 #3 от jdkir
jdkir ответил в теме Тестер для сетевого кабеля
целостность каждой жилы звонить и правильность обжима....

PS неужели ни кто не видел???

Пожалуйста Войти или Регистрация, чтобы присоединиться к беседе.

Больше
04 фев 2007 05:17 #4 от Павел
Павел ответил в теме Тестер для сетевого кабеля
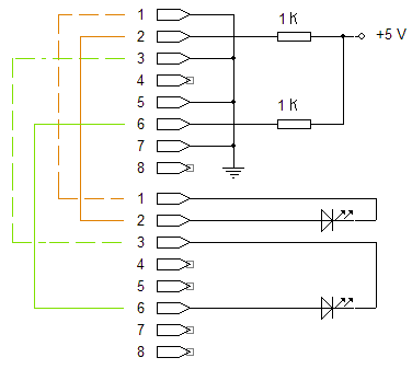
Схема действительно не сложная.
Вложения:

Пожалуйста Войти или Регистрация, чтобы присоединиться к беседе.

Больше
04 фев 2007 06:04 #5 от Гер Штырлиц
Гер Штырлиц ответил в теме Тестер для сетевого кабеля
вот две схемы

тероризм есть всего лишь способ привлеч к себе внимание

Пожалуйста Войти или Регистрация, чтобы присоединиться к беседе.

Модераторы: Doc
Вся информация, предоставленная на данном ресурсе разрешена к ознакомлению детям школьного возраста. Все практическое использование может быть связана с повышенной электрической опасностью и разрешено детям только под присмотром взрослых.