Помогите с усилком

Больше
15 июль 2009 15:23 #11 от Вячеслав
Вячеслав ответил в теме Помогите с усилком
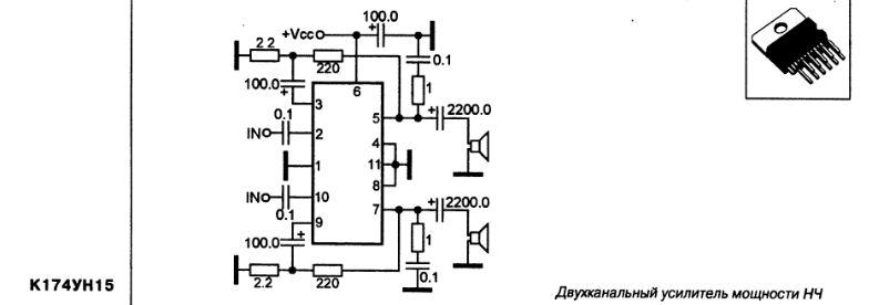
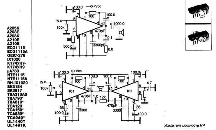
Даю несколько схем. Как выберешь и будут вопросы - задавай.

Пожалуйста Войти или Регистрация, чтобы присоединиться к беседе.

  • monolit
  • monolit аватар Автор темы
Больше
16 июль 2009 06:32 #12 от monolit
monolit ответил в теме Помогите с усилком
вообщем это то что мне нужно - tda7253.pdf ??
А сможет эта штуковина птаться через USB, или слабоват этот чудо порт?
Насколько понял 12v адаптер подойдёт...
Smoker, мне не нужен качественный звук, а просто хочется спаять эту фигню)) Жалко деньги тратить на колонки для работы, заодно научусь чему хорошему)

Пожалуйста Войти или Регистрация, чтобы присоединиться к беседе.

  • monolit
  • monolit аватар Автор темы
Больше
16 июль 2009 06:44 #13 от monolit
monolit ответил в теме Помогите с усилком
torkvil, это для Низких частот? и мне нужен одноканальный...

Пожалуйста Войти или Регистрация, чтобы присоединиться к беседе.

Больше
16 июль 2009 19:08 #14 от Вячеслав
Вячеслав ответил в теме Помогите с усилком
Низкая частота - это звуковая, которую мы слышим. Прикрепляю параметры микросхем. В таблице последовательно идут:
Тип корпуса;Минимальное напряжение питания; Максимальное напряжение питания; Максимальная выходная мощность; Сопротивление нагрузки; Минимальный ток потребления; Максимальный ток(может быть не указан, т.к. зависит от громкости и мощности); Рабочая частота; Входное сопротивление; Коэффициент нелинейных искажений; Коэффициент усиления; Страна производитель; Страница.
Где в таблице написано без 2помножить количество Ом - это стерео, остальные моно.

Пожалуйста Войти или Регистрация, чтобы присоединиться к беседе.

  • sergeyberiy
  • sergeyberiy аватар
Больше
17 июль 2009 10:53 #15 от sergeyberiy
sergeyberiy ответил в теме Помогите с усилком
В компе есть линейный выход,зачем заморачиватся,если я прав в USB 5 Вольт

Пожалуйста Войти или Регистрация, чтобы присоединиться к беседе.

Модераторы: Doc
Вся информация, предоставленная на данном ресурсе разрешена к ознакомлению детям школьного возраста. Все практическое использование может быть связана с повышенной электрической опасностью и разрешено детям только под присмотром взрослых.