- Спасибо получено: 0
GSM сигнализация
- Yrii
-
Автор темы
Less
Больше
14 янв 2009 12:53 #1
от Yrii
Yrii создал тему: GSM сигнализация
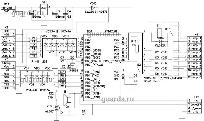
Пожалуйста помогите разобраться с работой устройства.Собрал схему устройство охраны удаленных объектов с передачей данных по GSM каналу с сайта
www.GUARDA.ru
. Впервые запрограмировал Atmega8 прошивкой с сайта.Подключил схему к сотовому Samsyng. При отправкеSMS сообщений устройство встает под охрану и снимается тоже ,а также включаются и отключаютя каналы для включения силовой нагрузки,то есть с этим все впорядке. А вот каждое действие должно подтверждаться отправкой SMS сообщений,чего нету. По умолчанию с завода Atmega8 имеетфьюзы CKSEL3..0 -0001,sut1..0-10,CKOPT-1.По таблицам для кварца с частотой от 3 до 8Мгц если я правильно понял нужны фьюзы CKSEL3..0-1111,CKOPT-1,SUT1..0-11. Вот так и сделал.Что не так,почему нет подтверждений SMS сообщений не могу понять. Телефон распаял правильно ,как дает автор.4-TxD,5-RxD,7-DTR,9-CTS,10-RTS. При подачи питания на схему светодиод горит постоянно,что означает ус-во готово к работе и ошибок нету.Если кто то сталкивался с этой проблемой то пожалуйста подскажите.Мой ящик
pleshakov_Y@mail.ru
Вложения:
Пожалуйста Войти или Регистрация, чтобы присоединиться к беседе.
- Yrii
-
Автор темы
Less
Больше
- Спасибо получено: 0
14 янв 2009 13:11 #2
от Yrii
Yrii ответил в теме GSM сигнализация
ответы можно отправлять на мой Email
pleshakov-Y@mail.ru
Пожалуйста Войти или Регистрация, чтобы присоединиться к беседе.
- Радиоаматор"ЛевогоФронта"
-
Less
Больше
- Спасибо получено: 0
14 янв 2009 15:07 #3
от Радиоаматор"ЛевогоФронта"
Радиоаматор"ЛевогоФронта" ответил в теме GSM сигнализация
Если устройство работает правильно, получает команды и выполняет их, то скорей всего МК при выполнении команд не шлет в телефон ту самую подтверждающую команду на отправку СМС.
Либо телефон так не умеет, то есть получая СМС телефон отправляет данные по RS232, а вот при получении данных не хочет отправлять СМС.
Или данные просто не доходят до телефона
Обратите внимание на стабилитроны D1-D6, при передачи данных с телефона на МК они ни как не влияют на этот процесс, а вот в обратной передаче они ограничивают уровень ТТЛ МК с 5 вольт до необходимых телефону 3. Попробуйте запитать МК не от 5, а от 3.6 вольт (будет ли работать МК не знаю, надо даташит читать) и тогда можно будет убрать эти стабилитроны, может все-таки причина в этом.
Либо телефон так не умеет, то есть получая СМС телефон отправляет данные по RS232, а вот при получении данных не хочет отправлять СМС.
Или данные просто не доходят до телефона
Обратите внимание на стабилитроны D1-D6, при передачи данных с телефона на МК они ни как не влияют на этот процесс, а вот в обратной передаче они ограничивают уровень ТТЛ МК с 5 вольт до необходимых телефону 3. Попробуйте запитать МК не от 5, а от 3.6 вольт (будет ли работать МК не знаю, надо даташит читать) и тогда можно будет убрать эти стабилитроны, может все-таки причина в этом.
Пожалуйста Войти или Регистрация, чтобы присоединиться к беседе.
- Роман
-
- Не в сети
Less
Больше
- Сообщений: 297
- Спасибо получено: 0
14 янв 2009 16:24 #4
от Роман
Роман ответил в теме GSM сигнализация
Ребята, охранка с использованием SMS не оперативная система. SMSка может и сутки идти. Самая лучшая система это телефонный звонок. А если нужны дополнительные функции, то хороший вариант использования DTMF сигнала!
Пожалуйста Войти или Регистрация, чтобы присоединиться к беседе.
- Yrii
-
Автор темы
Less
Больше
- Спасибо получено: 0
14 янв 2009 18:15 #5
от Yrii
Yrii ответил в теме GSM сигнализация
Да действительно D1...D6 невлияют на передачу команд с телефона в МК. Я пробовал их отключать.Что касается питания МК то он запитан от АКБ сотового,гдеU= на данный момент 3,7В.У меня складывается впечатление,что в режиме охраны МК не контролирует ( не опрашивает ) датчики. Они посажены на общую шину и при ее разрыве на входах МК появляется +3,4B.В зависимости от номера сработавшего датчика МК должен сделать дозвон и отправить СМС за таким же номером из SIM телефона на телефон хозяина, чего не происходит.Может что то с установкой фьюзов не то, что он не работает с внешним кварцем и поэтому не опрашивает датчики.Так же очень благодарен,что находите пару минут поломать со мной голову.C уважением Юрий.
Пожалуйста Войти или Регистрация, чтобы присоединиться к беседе.
Модераторы: Doc