- Спасибо получено: 0
Как правильно выбирать трансформатор?
- K01I
-
Less
Больше
05 дек 2007 17:11 #6
от K01I
K01I ответил в теме Как правильно выбирать трансформатор?
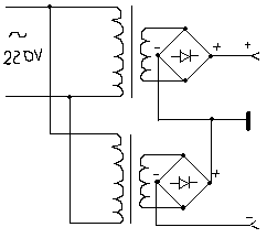
изза неимения транса на 500W очень давит идея на мозг:сделать из 2 по 250W вот так..(на рис)
Вложения:
Пожалуйста Войти или Регистрация, чтобы присоединиться к беседе.
- АЛЁ
-
- Не в сети
Less
Больше
- Сообщений: 41
- Спасибо получено: 0
05 дек 2007 17:57 #7
от АЛЁ
АЛЁ ответил в теме Как правильно выбирать трансформатор?
Если трансы одинаковые, то можно и одним мостом обойтись.
Пожалуйста Войти или Регистрация, чтобы присоединиться к беседе.
- Радиоаматор"ЛевогоФронта"
-
Less
Больше
- Спасибо получено: 0
06 дек 2007 11:37 #8
от Радиоаматор"ЛевогоФронта"
Вообще куча статей есть на эту тему, надо только не лениться искать -
h ttp://ya.ru ; h ttp://www.google.com
Радиоаматор"ЛевогоФронта" ответил в теме Как правильно выбирать трансформатор?
Все зависит от КПД усилителя, количества каналов усил., режима использования и т. д.nasirov пишет: А что касается расчета транса, то бери за правило то, что если усилок у тебя например, по 20 Вт на нос, а это значит, что твой транс должен поднимать тяжесть весом 80 Вт. Вот собственно, что и могу тебе посоветовать!
Вообще куча статей есть на эту тему, надо только не лениться искать -
h ttp://ya.ru ; h ttp://www.google.com
Пожалуйста Войти или Регистрация, чтобы присоединиться к беседе.
Модераторы: Doc