- Сообщений: 186
- Спасибо получено: 1
Лабораторник из АТХ
- zak
-
Автор темы
- Не в сети
Less
Больше
01 фев 2015 14:17 #1
от zak
zak создал тему: Лабораторник из АТХ
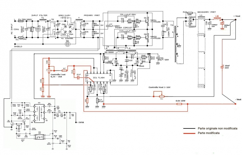
вот решил занятся переделкой АТХ посаветуйте по какой схеме переделывать.. мой блок собран на TL494 + LM393.. в инете нашел 2 схемы одна какогото итальянца вторая вообще низнаю чья!!
Вложения:
Пожалуйста Войти или Регистрация, чтобы присоединиться к беседе.
- zak
-
Автор темы
- Не в сети
Less
Больше
- Сообщений: 186
- Спасибо получено: 1
01 фев 2015 14:21 #2
от zak
zak ответил в теме Лабораторник из АТХ
Вложения:
Пожалуйста Войти или Регистрация, чтобы присоединиться к беседе.
- zak
-
Автор темы
- Не в сети
Less
Больше
- Сообщений: 186
- Спасибо получено: 1
08 фев 2015 08:02 #3
от zak
zak ответил в теме Лабораторник из АТХ
Вложения:
Пожалуйста Войти или Регистрация, чтобы присоединиться к беседе.
- Стас
-
- Не в сети
Less
Больше
- Сообщений: 394
- Спасибо получено: 29
08 фев 2015 09:07 #4
от Стас
Стас ответил в теме Лабораторник из АТХ
Здравствуйте. Ваши резисторы на 10 ватт 0,2 Ома каждый. Я тоже когда то искал резистор 0,05 Ома. Найти не смог и поставил параллельно два по 0,1 Ом, в сумме получилось как раз то что надо. А если есть приборчик, можно и самому сделать.
Пожалуйста Войти или Регистрация, чтобы присоединиться к беседе.
- Doc
-
- Не в сети
08 фев 2015 11:25 #5
от Doc
Малое знание опасно, впрочем, как и большое....
Doc ответил в теме Лабораторник из АТХ
а зачем Вы радиаторы сняли с выпрямительных диодов?
Малое знание опасно, впрочем, как и большое....
Пожалуйста Войти или Регистрация, чтобы присоединиться к беседе.
Модераторы: Doc