- Сообщений: 7
- Спасибо получено: 0
Помогите подобрать блок питания или драйвер или как там его)
- Сергей
-
Автор темы
- Не в сети
Less
Больше
06 нояб 2014 07:55 #11
от Сергей
Сергей ответил в теме Помогите подобрать блок питания или драйвер или как там его)
то есть, можно взять блок питания на 12 вольт, подключить последовательно 4 светодиода и гасящий резистор в 50ом, а модно так к одному источнику питания подключить полосы из такого набора? А на сколько сильный должен быть данный источник питания, сколько Ватт и какой Ток?
Пожалуйста Войти или Регистрация, чтобы присоединиться к беседе.
- Doc
-
- Не в сети
06 нояб 2014 09:37 - 06 нояб 2014 09:39 #12
от Doc
Малое знание опасно, впрочем, как и большое....
Doc ответил в теме Помогите подобрать блок питания или драйвер или как там его)
конечно можно
БП соответственно должен держать нагрузку по току. то есть если вы соединение 4 светодиода по 0.7А последовательно ток потребления данной "линейкой" отстраниться 0.7А
если вы соединение параллельно три таких линейки то ток возрастает в 3 раза (вспоминаем курс физики за 8 КЛ). то есть 0.7*3 2.1А
БП соответственно должен держать нагрузку по току. то есть если вы соединение 4 светодиода по 0.7А последовательно ток потребления данной "линейкой" отстраниться 0.7А
если вы соединение параллельно три таких линейки то ток возрастает в 3 раза (вспоминаем курс физики за 8 КЛ). то есть 0.7*3 2.1А
Малое знание опасно, впрочем, как и большое....
Последнее редактирование: 06 нояб 2014 09:39 пользователем Doc.
Спасибо сказали: Сергей
Пожалуйста Войти или Регистрация, чтобы присоединиться к беседе.
- Сергей
-
Автор темы
- Не в сети
Less
Больше
- Сообщений: 7
- Спасибо получено: 0
06 нояб 2014 10:06 #13
от Сергей
Сергей ответил в теме Помогите подобрать блок питания или драйвер или как там его)
а если подключить их последовательно? и запитать
umsvet.com.ua/source/lps_ip20/100W_eco_open.html
я растерялся полностью( у Вас есть icq или скайп?
я растерялся полностью( у Вас есть icq или скайп?
Пожалуйста Войти или Регистрация, чтобы присоединиться к беседе.
- Doc
-
- Не в сети
06 нояб 2014 11:35 #14
от Doc
Малое знание опасно, впрочем, как и большое....
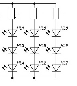
Doc ответил в теме Помогите подобрать блок питания или драйвер или как там его)
Малое знание опасно, впрочем, как и большое....
Вложения:
Спасибо сказали: Сергей
Пожалуйста Войти или Регистрация, чтобы присоединиться к беседе.
- Сергей
-
Автор темы
- Не в сети
Less
Больше
- Сообщений: 7
- Спасибо получено: 0
06 нояб 2014 12:54 #15
от Сергей
Сергей ответил в теме Помогите подобрать блок питания или драйвер или как там его)
Спасибо большое за помощь!
Пожалуйста Войти или Регистрация, чтобы присоединиться к беседе.
Модераторы: Doc