Лампа больше не мигает

Больше
23 дек 2013 20:25 #16 от Роман
Роман ответил в теме Лампа больше не мигает
Спасибо!

Значит мою лампу, буду ремонтировать, а диод я купил прямо сейчас, буду ждать почтой.

Пожалуйста Войти или Регистрация, чтобы присоединиться к беседе.

Больше
24 дек 2013 01:55 #17 от Aleksanders
Aleksanders ответил в теме Лампа больше не мигает
Робяты, я тоже иногда склонен себя обманывать, но на пассивных элементах стабилизаторы не делают. А из активных там... только светодиоды с нелинейными ВАХ.
И ещё я слышал такую сказку, что есть, якобы, такие чудо-светодиоды, "в которые встроен полевой транзистор", и которым, якобы, всё равно, светиться от 2В или от 12. Такое, может быть, где-то и есть, но речь о 2В идти явно не может, как и о китайском происхождении подобных "чудо-устройств".

Пожалуйста Войти или Регистрация, чтобы присоединиться к беседе.

Больше
24 дек 2013 02:23 #18 от Роман
Роман ответил в теме Лампа больше не мигает
Я считаю так: если указан диапазон напряжения, значит оно стабилизировано, а светодиоду это очень важно.

Есть простые балластные стабилизаторы.

В нашем случае там какая-то микросхемка

Пожалуйста Войти или Регистрация, чтобы присоединиться к беседе.

Больше
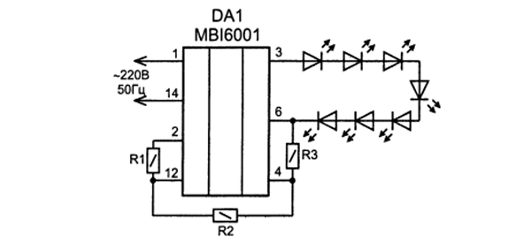
24 дек 2013 18:00 #19 от Rrenovatio
Rrenovatio ответил в теме Лампа больше не мигает
даже в такой простой схеме стоит стабилитрон (д814д)...
и там есть что то аналогичное... сейчас элементная база на высоте!








что то типа такого...



тута точно что то такое стоит!
:silly:
Спасибо сказали: Роман

Пожалуйста Войти или Регистрация, чтобы присоединиться к беседе.

Больше
24 дек 2013 19:32 #20 от Роман
Роман ответил в теме Лампа больше не мигает
Третья схема очень похожа, только две гирлянды(петли) и параллельно 4.7 мкФ на 400В

Пожалуйста Войти или Регистрация, чтобы присоединиться к беседе.

Модераторы: Doc
Вся информация, предоставленная на данном ресурсе разрешена к ознакомлению детям школьного возраста. Все практическое использование может быть связана с повышенной электрической опасностью и разрешено детям только под присмотром взрослых.