Ищу аналог
- Doc
-
- Не в сети
двойка Вам по физикеВ сети же 220 вольт, а в документации написано напряжение зажигания меньше или равно 170 вольт. 220 вольт разве их не спалит? Также там же переменный ток и один диод же не сделает его постоянным (насколько я помню курс физики).
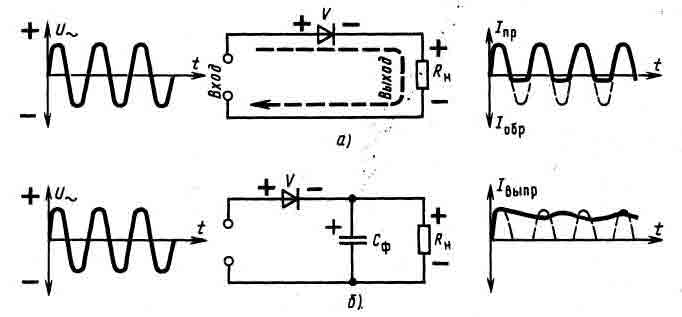
1) использование одного диода включенного последовательно в цепь переменного напряжения "срезает" одну полуволну. Тем самым ток становиться не переменный а пульсирующий в направлении одной полярности. Это называться однополупериодный выпрямитель. Действующие напряжение такого выпрямителя равно половине действующего значения переменного напряжения. Если использовать сглаживающий конденсатор данное напряжение можно повысить.
Вообще неоновой лампе абсолютно по фигу каким напряжением питаться (постоянным или переменным), только вот микросхемам не пофигу - по этому в схемах с неоновыми знакосинтезирующими индикаторами применяют только постоянное напряжение
Индикаторы имеют разброс в потреблении тока и если их повесить все в одну цепь то в итоге будет сильное неравномерное свичене, резистор решает эту проблему путем небольшого понижения тока в цепи каждого индикатора.Всё таки хотел узнать насчёт балластного резистора, зачем же он тогда нужен? Вроде бы на схеме он есть, даже 3 штуки под каждый индикатор.
нет ничего менять ненужно скорее всего - не знаю на счет микросхем управляющих индикаторами - но все остальное может свободно работать в диапазоне от 3.5-9 вольтКстати, такой вопрос насчёт питания: на оригинальном сайте было написано, что он питается от 9-вольтовой прямоугольной батарейки (горит около часа, но этот прибор и не должен работать постоянно, это вроде как коллекционная вещь). Но на схеме написано 5 вольт. Почему и нужно ли что-то менять, если питание изменится на 9 вольт?
Вот в принципе пара простых схем, естественно надо будет вторичные трансформаторы переделать на нужное напряжение.И всё таки возвращаясь к первоначальному вопросу: есть ли какой-то аналог данной микросхемы высоковольтного питания, которая используется в схеме?
www.radio-portal.ru/layout/37-power/1829----459--15-.html
www.radio-portal.ru/layout/37-power/1769-ups.html
но по правде я бы не заморачивался и сделал бы чтобы они питались от розетки
Малое знание опасно, впрочем, как и большое....
Пожалуйста Войти или Регистрация, чтобы присоединиться к беседе.
- VLADER
-
- Не в сети
- Сообщений: 117
- Спасибо получено: 8
Doc пишет: Я такие поджигал просто о сети через один выпрямительный диод .
Doc, через один диод их поджигать опасно. Может сгореть. Последовательно с диодом нужно подсоединить балластный резистор на 100 кОм, цепочку - к аноду, а другим сетевым концом - по цифрам-катодам. Это для проверки...
Пожалуйста Войти или Регистрация, чтобы присоединиться к беседе.
- ИЛЬЯ
-
- Не в сети
- Сообщений: 516
- Спасибо получено: 11
Пожалуйста Войти или Регистрация, чтобы присоединиться к беседе.
- Doc
-
- Не в сети
согласен100к поставить не помешает
Малое знание опасно, впрочем, как и большое....
Пожалуйста Войти или Регистрация, чтобы присоединиться к беседе.