Катушки

Больше
19 дек 2009 07:40 #11 от DmitriSpartak
DmitriSpartak ответил в теме Катушки
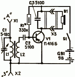
Радиоприёмник на одном транзисторе,правда не знаю на каких волнах он работает
Вложения:

Пожалуйста Войти или Регистрация, чтобы присоединиться к беседе.

Больше
19 дек 2009 07:57 #12 от Вячеслав
Вячеслав ответил в теме Катушки
Приёмник прямого усиления, не помню уже СВ или ДВ. Его собирал лет тридцать назад, когда ещё было много станций в этих диапазонах.

Пожалуйста Войти или Регистрация, чтобы присоединиться к беседе.

Больше
19 дек 2009 08:34 #13 от Светлана
Светлана ответил в теме Катушки
ДВ или СВ зависит от катушки контура. Здесь можно включить только одну секцию конденсатора.
Принимать будет, если рядом или недалеко работает мощная радиовещательная станция в диапазоне СВ или ДВ.
В качестве В1 должен быть высокоомный наушник.

Если хотите, чтобы жизнь улыбалась вам, подарите ей своё хорошее настроение

Пожалуйста Войти или Регистрация, чтобы присоединиться к беседе.

Больше
19 дек 2009 08:41 #14 от DmitriSpartak
DmitriSpartak ответил в теме Катушки
Спасибо

Пожалуйста Войти или Регистрация, чтобы присоединиться к беседе.

Модераторы: Doc
Вся информация, предоставленная на данном ресурсе разрешена к ознакомлению детям школьного возраста. Все практическое использование может быть связана с повышенной электрической опасностью и разрешено детям только под присмотром взрослых.