Подскажите пожалуйста AT90S2313-10PI !!!

  • dimon4ik83
  • dimon4ik83 аватар Автор темы
Больше
12 март 2010 17:33 #1 от dimon4ik83
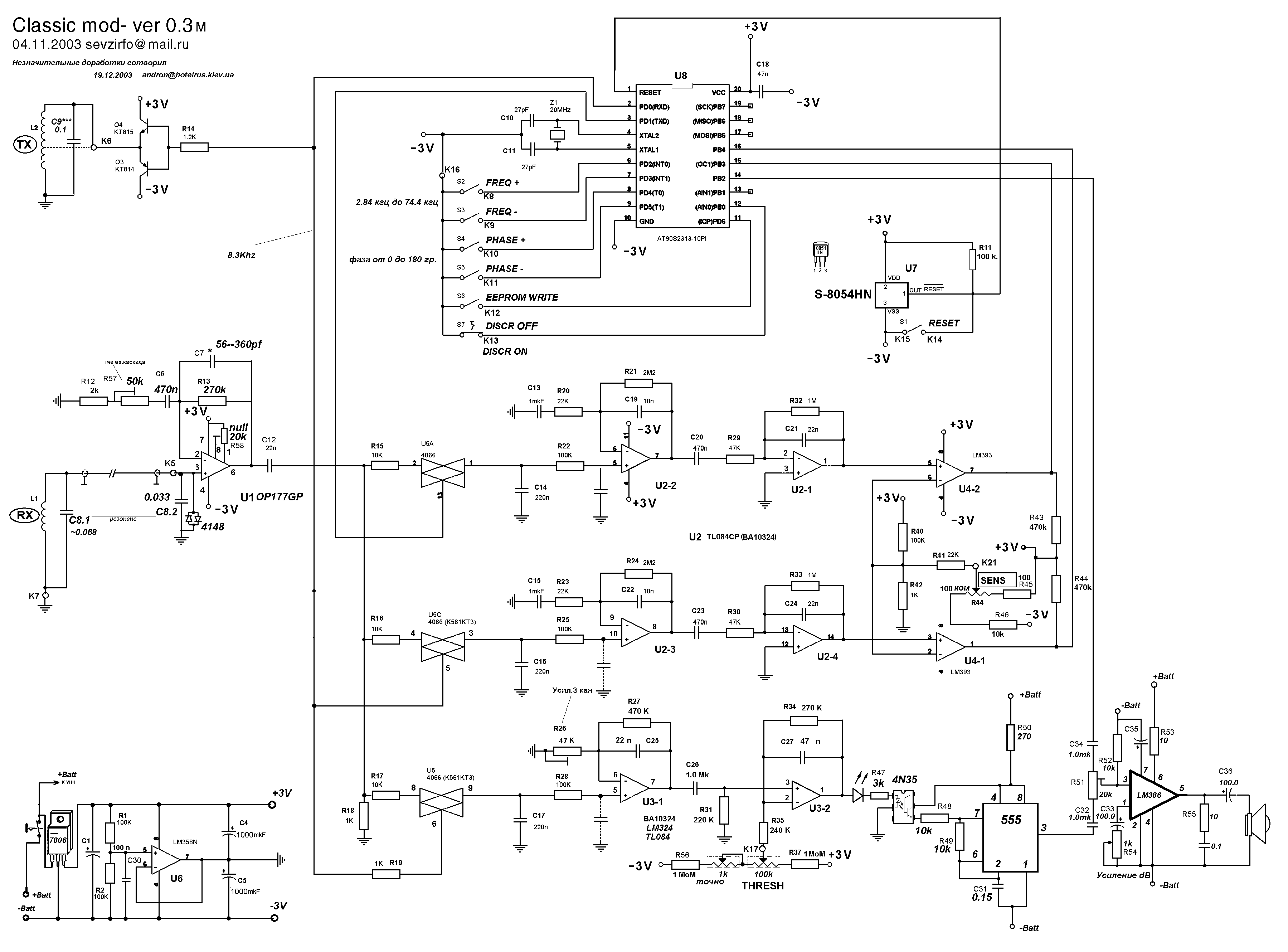
Собрал металлодетектор на этом микроконтроллере AVR AT90S2313-10PI ,все проверил ,без ошибок подскажите как залить в его прошивку !?

Пожалуйста Войти или Регистрация, чтобы присоединиться к беседе.

Больше
13 март 2010 06:05 #2 от Doc
нужен программатор
могут тебе залить в магазине элэктронники за денюшку
если в Москве могу прошить на шру

Малое знание опасно, впрочем, как и большое....

Пожалуйста Войти или Регистрация, чтобы присоединиться к беседе.

  • dimon4ik83
  • dimon4ik83 аватар Автор темы
Больше
14 март 2010 17:03 #3 от dimon4ik83
dimon4ik83 ответил в теме Подскажите пожалуйста AT90S2313-10PI !!!
я не в москве!сколько это будет стоить,это будет готовый прибор или надо будет собирать??

Пожалуйста Войти или Регистрация, чтобы присоединиться к беседе.

Модераторы: Doc
Вся информация, предоставленная на данном ресурсе разрешена к ознакомлению детям школьного возраста. Все практическое использование может быть связана с повышенной электрической опасностью и разрешено детям только под присмотром взрослых.