- Спасибо получено: 0
Осциллограф С1-69. помогите
- Lonely_Night_Wolf
-
Автор темы
Less
Больше
11 авг 2006 09:54 #1
от Lonely_Night_Wolf
Lonely_Night_Wolf создал тему: Осциллограф С1-69. помогите
Нужна схема генератора развертки для осциллографа С1-69. да и вообще не плохо было бы к нему найти всю документацию. может есть у кого? Если не трудно то вышлите на мыло
dmitry_brunarsky@2ka.mipt.ru
Пожалуйста Войти или Регистрация, чтобы присоединиться к беседе.
- Doc
-
- Не в сети
11 авг 2006 12:03 #2
от Doc
Малое знание опасно, впрочем, как и большое....
Doc ответил в теме Осциллограф С1-69. помогите
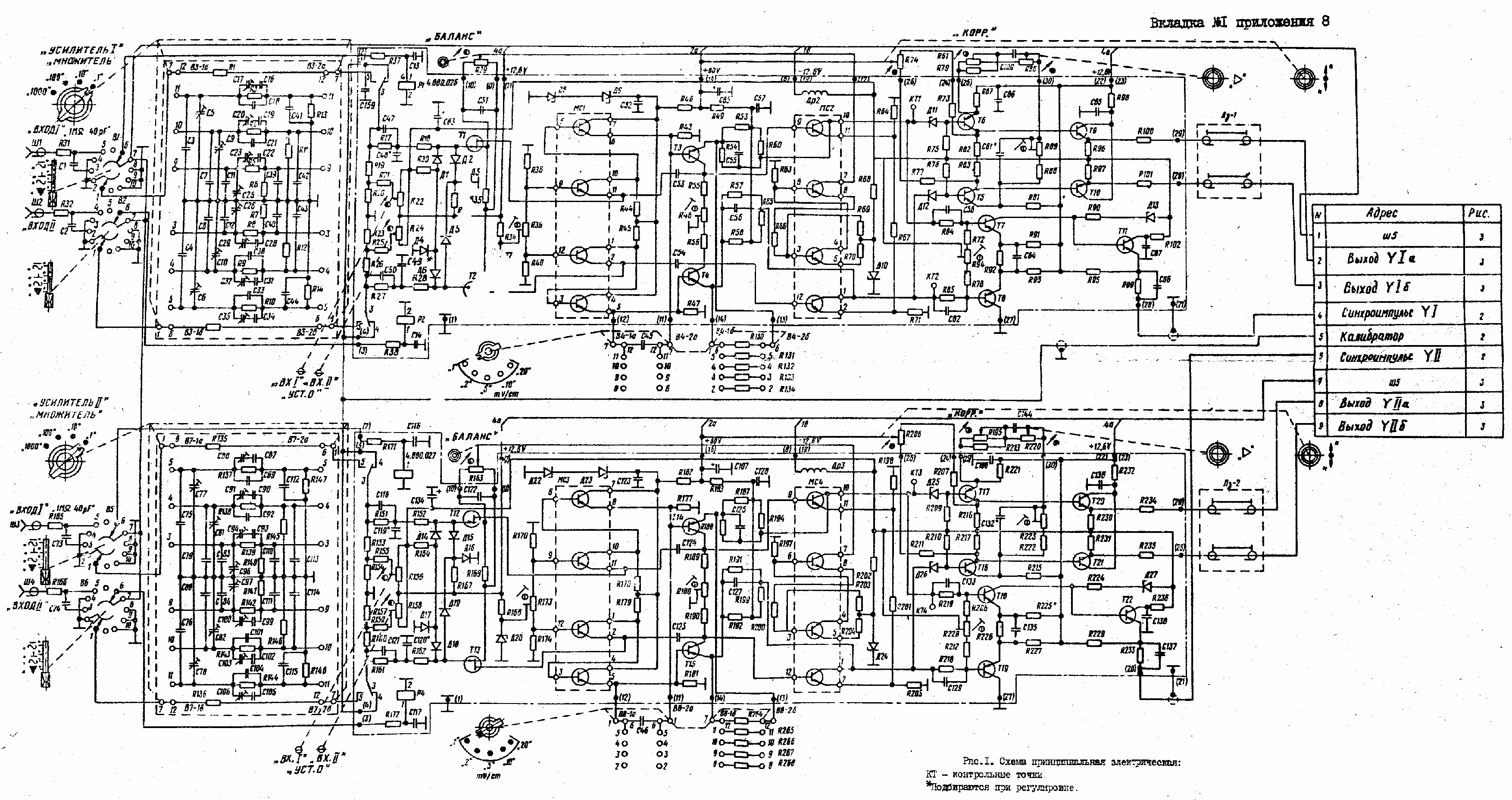
Вот тебе схема - в янддексевосьмая ссылка оказалась живая 
единственно что нету описания элэментов
Оригинал лижит на хамрадио h ttp://qrx.narod.ru/pribor/c1-69. h tm
единственно что нету описания элэментов
Оригинал лижит на хамрадио h ttp://qrx.narod.ru/pribor/c1-69. h tm
Малое знание опасно, впрочем, как и большое....
Вложения:
Пожалуйста Войти или Регистрация, чтобы присоединиться к беседе.
- Lonely_Night_Wolf
-
Автор темы
Less
Больше
- Спасибо получено: 0
11 авг 2006 12:20 #3
от Lonely_Night_Wolf
спасибо за схему. но у меня такая уже есть. как я понимаю это схема усилителей осциллографа,
а мне нужен ГЕНЕРАТОР РАЗВЕРТКИ!! если он тут есть то покажи
Lonely_Night_Wolf ответил в теме Осциллограф С1-69. помогите
Doc пишет: Вот тебе схема - в янддексевосьмая ссылка оказалась живая
единственно что нету описания элэментов
Оригинал лижит на хамрадио h ttp://qrx.narod.ru/pribor/c1-69. h tm
спасибо за схему. но у меня такая уже есть. как я понимаю это схема усилителей осциллографа,
а мне нужен ГЕНЕРАТОР РАЗВЕРТКИ!! если он тут есть то покажи Пожалуйста Войти или Регистрация, чтобы присоединиться к беседе.
- Doc
-
- Не в сети
14 авг 2006 17:05 #4
от Doc
Малое знание опасно, впрочем, как и большое....
Doc ответил в теме Осциллограф С1-69. помогите
Вот походу целая схема
Малое знание опасно, впрочем, как и большое....
Вложения:
Пожалуйста Войти или Регистрация, чтобы присоединиться к беседе.
- Lonely_Night_Wolf
-
Автор темы
Less
Больше
- Спасибо получено: 0
14 авг 2006 18:33 #5
от Lonely_Night_Wolf
Lonely_Night_Wolf ответил в теме Осциллограф С1-69. помогите
спасибо. как раз то что нужноDoc пишет: Вот походу целая схема
Пожалуйста Войти или Регистрация, чтобы присоединиться к беседе.
Модераторы: Doc