Осциллограф C1-134

Больше
01 июнь 2013 13:53 #1 от Александр
Александр создал тему: Осциллограф C1-134
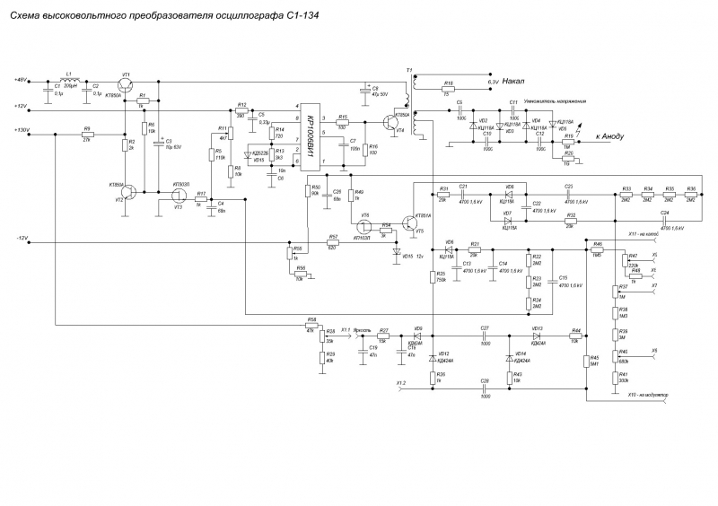
Прошу помочь найти схему на осциллограф С1-134 и инструкцию по эксплуатации на него. Перерыл весь Интернет, читаемых схем и инструкций нет.

Пожалуйста Войти или Регистрация, чтобы присоединиться к беседе.

Больше
02 июнь 2013 13:00 - 02 июнь 2013 13:13 #2 от Rrenovatio
Rrenovatio ответил в теме Осциллограф C1-134
чти тут: описание...


Последнее редактирование: 02 июнь 2013 13:13 пользователем Rrenovatio.

Пожалуйста Войти или Регистрация, чтобы присоединиться к беседе.

Модераторы: Doc
Вся информация, предоставленная на данном ресурсе разрешена к ознакомлению детям школьного возраста. Все практическое использование может быть связана с повышенной электрической опасностью и разрешено детям только под присмотром взрослых.