Замена дешифраторов

Больше
30 сен 2012 15:57 - 30 сен 2012 15:58 #1 от Алексей
Алексей создал тему: Замена дешифраторов
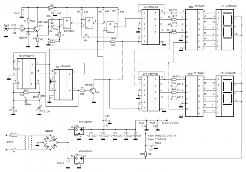
Столкнулся с проблемой покупки микросхем К176ИД2, но зато есть микросхемы КР514ИД1. Возможно ли как-то заменить в этой схеме дешифраторы на мои КР514ИД1?
Вот здесь полное описание схемы .
Вложения:
Последнее редактирование: 30 сен 2012 15:58 пользователем Алексей.

Пожалуйста Войти или Регистрация, чтобы присоединиться к беседе.

Больше
04 окт 2012 06:07 - 04 окт 2012 06:12 #2 от Doc
Doc ответил в теме Замена дешифраторов
можно - только проверте в серии 514 есть две микросхемы ИД1 и ИД2 одна для индикаторов с общим катодом другая с общим анодом (какая именно какая не помню)

но честно говоря я бы изменил немного схему и поставил бы туда ЖК индикаторы (две штуки 4х7)

или вообще собрал схему на контроллере

Малое знание опасно, впрочем, как и большое....
Последнее редактирование: 04 окт 2012 06:12 пользователем Doc.

Пожалуйста Войти или Регистрация, чтобы присоединиться к беседе.

Больше
05 окт 2012 08:35 - 05 окт 2012 08:37 #3 от ИЛЬЯ
ИЛЬЯ ответил в теме Замена дешифраторов
и к176ид2, и кр514ид1, для индикаторов с общим катодом. Значит должны заменять друг-друга.
Но вот в чем загвоздка- если я не ошибаюсь кр514ид1 это ТТЛ микросхема(возможно я ошибаюсь), для нее питание 5 вольт, а к176ид2 это точно КМОП микросхема, по питанию она не критична.
Но есче раз повторюсь, на счет серии кр514, что она ТТЛ, могу ошибатся. Но я ее использовал совместно с ТТЛ микросхемами серий к155 и к555. В общем, аккуратней более 5 вольт на нее не подавай, можеш спалить.
А есче у КМОП и ТТЛ, логические уровни разные.
Последнее редактирование: 05 окт 2012 08:37 пользователем ИЛЬЯ.

Пожалуйста Войти или Регистрация, чтобы присоединиться к беседе.

Больше
05 окт 2012 08:59 - 05 окт 2012 09:05 #4 от Алексей
Алексей ответил в теме Замена дешифраторов
Да, логические уровни у них разные, но это не главное. Микросхема К176ИД2 имеет вход защёлки которого нет у КР514ИД1. Микросхема К176ИД2 для индикаторов с общим анодом. Спасибо за советы, но имейте в виду на будущее: не надо советовать то, о чём не просят и не надо советовать то, чего не знаете.


Ответ здесь, потому что там пишут ошибку "Неправильной код. Пожалуйста, попробуйте еще раз", хотя при быстром ответе никакого кода вводить не надо.
Последнее редактирование: 05 окт 2012 09:05 пользователем Алексей.

Пожалуйста Войти или Регистрация, чтобы присоединиться к беседе.

Больше
05 окт 2012 12:53 - 05 окт 2012 12:54 #5 от Doc
Doc ответил в теме Замена дешифраторов
микросхема 514 совершенно нормально работает на напряжение 9в
но я бы рекомендовал заменить серию 176 на серию 561 микруха в микруху - они взаимозаменяемые и питание у них от 3-9 вольт

Ответ здесь, потому что там пишут ошибку "Неправильной код. Пожалуйста, попробуйте еще раз", хотя при быстром ответе никакого кода вводить не надо.

- это защита от спам ботов
первые три раза надо отвечать не быстрым ответом, а полным - там код есть :)

Малое знание опасно, впрочем, как и большое....
Последнее редактирование: 05 окт 2012 12:54 пользователем Doc.

Пожалуйста Войти или Регистрация, чтобы присоединиться к беседе.

Модераторы: Doc
Вся информация, предоставленная на данном ресурсе разрешена к ознакомлению детям школьного возраста. Все практическое использование может быть связана с повышенной электрической опасностью и разрешено детям только под присмотром взрослых.