АКУСТИЧЕСКИЙ РАСХОДОМЕР

Больше
13 март 2011 16:18 - 13 март 2011 16:32 #1 от Serdj
Serdj создал тему: АКУСТИЧЕСКИЙ РАСХОДОМЕР
Доброго времени суток!! Уважаемые радиолюбители, к Вам просьба, приблизительно (хотя бы порядок цифр) прикинуть стоимость радиоэлектронных компонентов необходимых для воплощения вот такой вот схемы, представленной далее. Прибор из себя представляет по сути измеритель времени прохождения ультразвука от передатчика к приемнику.
Вложения:
Последнее редактирование: 13 март 2011 16:32 пользователем Serdj.

Пожалуйста Войти или Регистрация, чтобы присоединиться к беседе.

Больше
13 март 2011 16:26 #2 от Serdj
Serdj ответил в теме АКУСТИЧЕСКИЙ РАСХОДОМЕР
Если кому-то необходимо описание работы прибора, то вот оно:
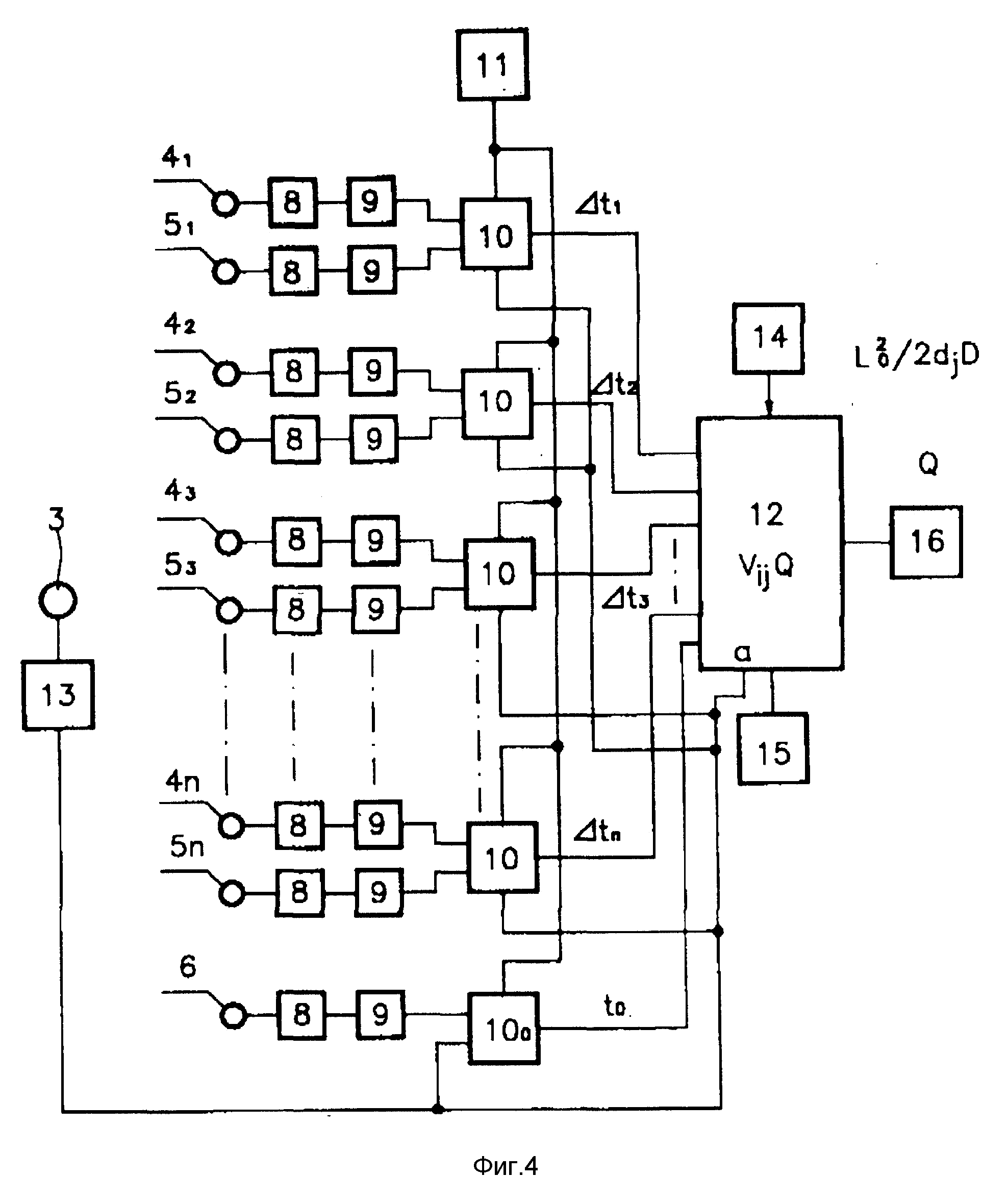
Усилитель 8 усиливает сигналы, принимаемые от приемников 4i и 5i, до заданной величины. Устройство 9 формирования волны преобразует аналоговые сигналы в цифровые сигналы в прямоугольном волновом импульсе в моменты времени, когда сигналы проходят через точки пересечения, так называемые нулевые точки. Счетчик 10 измерения временного интервала измеряет временную разность Δ ti, соответствующую времени распространения ультразвуковой волны от вибратора 3 к приемникам 4i и 5i. Осциллятор 11 генерирует сигнал с высокой тактовой частотой для измерения временного интервала. Микропроцессор 12 управляет системой измерения расхода в соответствии с программой и вычисляет скорость потока и расход. Функцию ультразвукового генератора 14 выполняет вибратор 3. Устройство ввода 14 используется для ввода в микропроцессор 12 управляющих параметров, таких как постоянная величина Lo2/2d, внутренний диаметр D трубы, многократно измеряемый период, частота и т.д. Накопитель 13 накапливает значения мгновенных расходов. На дисплее 16 представляется рабочий режим системы.
Таким образом, когда работает устройство измерения расхода по временной разности, то микропроцессор 12 генерирует/выводит управляющий сигнал из порта a и переводит в исходное состояние счетчики 100, для того чтобы они начали работать, когда включается ультразвуковой вибратор 3. Когда вибратор 3 излучает ультразвуковые волны, то приемники 4i и 5i принимают по очереди ультразвуковые сигналы, распространяющиеся от вибратора 3. Затем, усилитель 8 усиливает сигналы от приемников 4i и 5i и подает их на устройство 9 формирования импульсов. Устройство 9 формирования импульсов генерирует импульсы каждый раз, когда усиленные сигналы проходят через точки пересечения. Следовательно, между импульсами на выходе из устройства 9 формирования импульсов возникает временная разность Δ ti. Эти импульсы подаются на счетчик 10, в котором первый импульс от приемника 5i представляет сигнал начала счета, а второй импульс, поступающий с приемника 4i, представляет сигнал окончания счета. Счетчик 10 считает число импульсов, генерированных высокочастотным осциллятором 11 за временной интервал между сигналом начала счета и сигналом окончания счета и наоборот. Следовательно, временная разность Δ ti равна N · τo ( τo - длительность импульса высокочастотного осциллятора 11). Конечно, нет необходимости измерять временную разность Δ ti в счетчике 9. Вместо этого для вычисления временной разности используется микропроцессор 12 путем умножения на время задержки τo.
В соответствии с изобретением микропроцессор 12 измеряет временные разности (или Ni) на всех каналах, когда вибратор 3 излучает ультразвуковые волны, и запоминает их в своем запоминающем устройстве. Одновременно измеряется время to распространения от вибратора 3 до приемников 4i и 5i и полученные значения подаются в микропроцессор 12. Микропроцессор 12 запоминает постоянную величину L02/2d, внутренний диаметр D трубы, длины и координаты хорд и т.д., ранее введенные из устройства 14 ввода, которые требуются для измерения скорости потока Vi и вычисления скоростей потока и расходов на различных хордах.
Если для измерения расхода применяется метод фазовой разности, как показано на фиг. 5, то к цифровым фазовым детекторам 17 подсоединяются усилители 8, соответственно. В этом случае устройство 9 формирования импульсов не требуется. Только вибратор 3 излучает ультразвуковую волну непрерывно в течение заданного временного интервала. Первое время to распространения ультразвука от вибратора 3 до приемника 6 измеряется с помощью счетчика 10oC и высокочастотного осциллятора 11, который требуется для измерения скорости C ультразвука.
Обратимся к фиг. 6 (A, B, C). Фиг. 6A показывает множество радиальных углов αi, фиг. 6B показывает поперечное сечение, разделенное на множество поперечных сечений ri, соответствующих местам, где радиальный сигнал получают согласно радиальным углам фиг. 6C изображает распределение скорости потока, при этом скорости потока на хордах вычисляются, основываясь на функции радиуса трубы. Координата поперечного сечения или радиуса rj (фиг. 6B) в результате заменяется множеством радиальных углов αi (фиг. 6A). Распределение скорости потока (фиг. 6C) имеет результат в вычислении скорости потока со ссылкой на координату поперечного сечения или радиуса rj (фиг. 6B).
Полный расход Q = ΣVi·ΔSi вычисляется как произведение скорости потока Vi для каждой хорды на частичную площадь ΔSi и полученные в результате перемножения величины суммируются.

Пожалуйста Войти или Регистрация, чтобы присоединиться к беседе.

Больше
13 март 2011 16:27 #3 от Serdj
Serdj ответил в теме АКУСТИЧЕСКИЙ РАСХОДОМЕР
ЗАРАНЕЕ ВСЕМ БЛАГОДАРЕН!!!!!!!

Пожалуйста Войти или Регистрация, чтобы присоединиться к беседе.

Больше
13 март 2011 20:27 #4 от Ярослав
Ярослав ответил в теме АКУСТИЧЕСКИЙ РАСХОДОМЕР
оййойой, а фото можт уменьшить?

Пожалуйста Войти или Регистрация, чтобы присоединиться к беседе.

Больше
24 мая 2017 16:46 - 07 дек 2017 15:51 #5 от Tendio
Tendio ответил в теме АКУСТИЧЕСКИЙ РАСХОДОМЕР

Serdj пишет: Доброго времени суток!! Уважаемые радиолюбители, к Вам просьба, приблизительно (хотя бы порядок цифр) прикинуть стоимость радиоэлектронных компонентов необходимых для воплощения вот такой вот схемы, представленной далее по расходомеру ВЭПС Прибор из себя представляет по сути измеритель времени прохождения ультразвука от передатчика к приемнику.
Кажется они в составе теплосчетчиков квартирных цена: energoteplolider - условия отличные.


насколько такие расходомеры точные?
По-моему ВЭПС на этом принципе работает?
Последнее редактирование: 07 дек 2017 15:51 пользователем Tendio. Причина: добавлена информаци: теплосчетчики квартирные, цена, каталог

Пожалуйста Войти или Регистрация, чтобы присоединиться к беседе.

Модераторы: Doc
Вся информация, предоставленная на данном ресурсе разрешена к ознакомлению детям школьного возраста. Все практическое использование может быть связана с повышенной электрической опасностью и разрешено детям только под присмотром взрослых.