Ищу схему МАП "Энергия"

  • Алексник
  • Алексник аватар Автор темы
Больше
13 дек 2008 14:25 #1 от Алексник
Алексник создал тему: Ищу схему МАП "Энергия"
Ищу схему плато управления МАП "Энергия" на 3 кВт

Пожалуйста Войти или Регистрация, чтобы присоединиться к беседе.

Больше
19 июнь 2015 12:23 #2 от Георгий
Георгий ответил в теме Ищу схему МАП "Энергия"
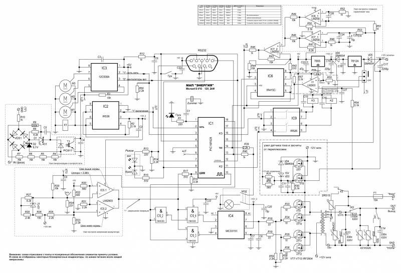
Есть МАП ""Энергия" 2КВт версия Microart E-V10 12V, 2kW
берите!
Георгий-
E -mail: tlgrf@rambler.ru
Вложения:

Пожалуйста Войти или Регистрация, чтобы присоединиться к беседе.

Модераторы: Doc
Вся информация, предоставленная на данном ресурсе разрешена к ознакомлению детям школьного возраста. Все практическое использование может быть связана с повышенной электрической опасностью и разрешено детям только под присмотром взрослых.