Датчик кода Морзе Р-020

Больше
03 мая 2017 09:34 #1 от Victor
Victor создал тему: Датчик кода Морзе Р-020
Помогите пожалуйста найти схему датчика кода Морзе Р-020.

Пожалуйста Войти или Регистрация, чтобы присоединиться к беседе.

Больше
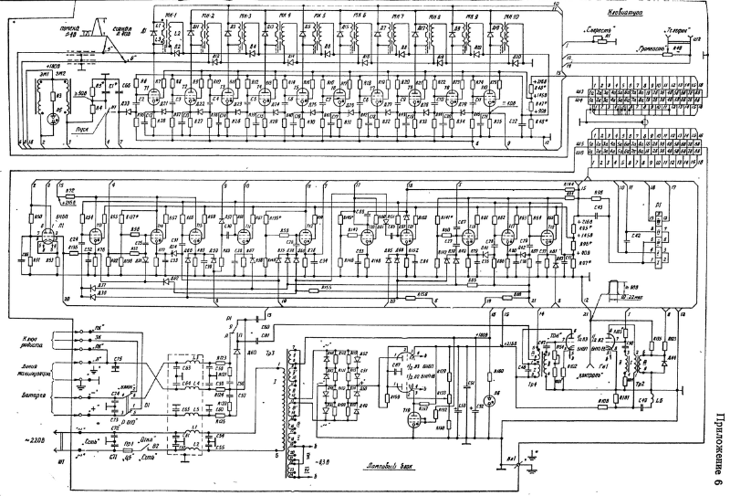
27 дек 2017 14:41 #2 от Саша ДробахоTX
Саша ДробахоTX ответил в теме Датчик кода Морзе Р-020
На

Радио: средство массовой информации, слушая которое еще никто не испортил зрения.
Вложения:
Спасибо сказали: Андрей Никулин

Пожалуйста Войти или Регистрация, чтобы присоединиться к беседе.

Больше
02 фев 2024 19:20 #3 от Андрей Никулин
Андрей Никулин ответил в теме Датчик кода Морзе Р-020
Здравствуйте, у Вас есть документация к Р-020? На схеме видно что это приложение 6. Хотелось бы полную книжку.

Пожалуйста Войти или Регистрация, чтобы присоединиться к беседе.

Больше
04 фев 2024 06:28 - 04 фев 2024 06:32 #4 от Александр Русин
Александр Русин ответил в теме Датчик кода Морзе Р-020
 

This browser does not support PDFs. Please download the PDF to view it: Download PDF

только это
Последнее редактирование: 04 фев 2024 06:32 пользователем Doc.

Пожалуйста Войти или Регистрация, чтобы присоединиться к беседе.

Модераторы: Doc
Вся информация, предоставленная на данном ресурсе разрешена к ознакомлению детям школьного возраста. Все практическое использование может быть связана с повышенной электрической опасностью и разрешено детям только под присмотром взрослых.