Автоматическое включение винтелятора.

Больше
27 апр 2013 15:00 #1 от Денис
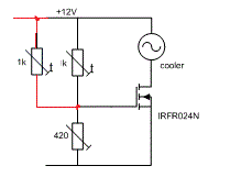
Всем доброго времени суток. Нашёл в интернете множество готовых схем автоматического включения вентилятора. Выбрал схему себе по душе. Требуется чуть чуть её преобразовать. На рисунке красным показаны те соединения которые я добавил сам. А вопрос заключается в следующем: будет ли работать схема при включении второго терморезистора параллельно первому (в схеме используются 2-а радиатора и требуется снимать температуру с двух мест)?


Вложения:

Пожалуйста Войти или Регистрация, чтобы присоединиться к беседе.

Больше
30 апр 2013 12:01 #2 от VLADER
Будет, но неправильно. Обычно в таких случаях либо автоматически переключаются терморезисторы на определённое время на одну схему, либо нужно собирать две схемы. Выходы можно запараллелить для работы одного вентилятора.
Спасибо сказали: Денис

Пожалуйста Войти или Регистрация, чтобы присоединиться к беседе.

Больше
03 мая 2013 10:53 #3 от ИЛЬЯ
используй две таких схемы к вентилятору подключи параллельно

Пожалуйста Войти или Регистрация, чтобы присоединиться к беседе.

  • Павел
  • Павел аватар
Больше
05 июль 2013 17:23 #4 от Павел
Схема в принципе будет работать. При этом нижний подстроечник сдвинится в другое положение. Более плавная зависимость оборотов от частоты будет, если греться будет только один радиатор, что как мне кажется мало вероятно. Скорее они будут греться вместе.

Пожалуйста Войти или Регистрация, чтобы присоединиться к беседе.

Модераторы: Doc
Вся информация, предоставленная на данном ресурсе разрешена к ознакомлению детям школьного возраста. Все практическое использование может быть связана с повышенной электрической опасностью и разрешено детям только под присмотром взрослых.