Ищу схему телевизора HYUNDAI H-TV1405

Больше
06 мая 2011 20:22 #16 от Gen567dom
Gen567dom ответил в теме Ищу схему телевизора HYUNDAI H-TV1405
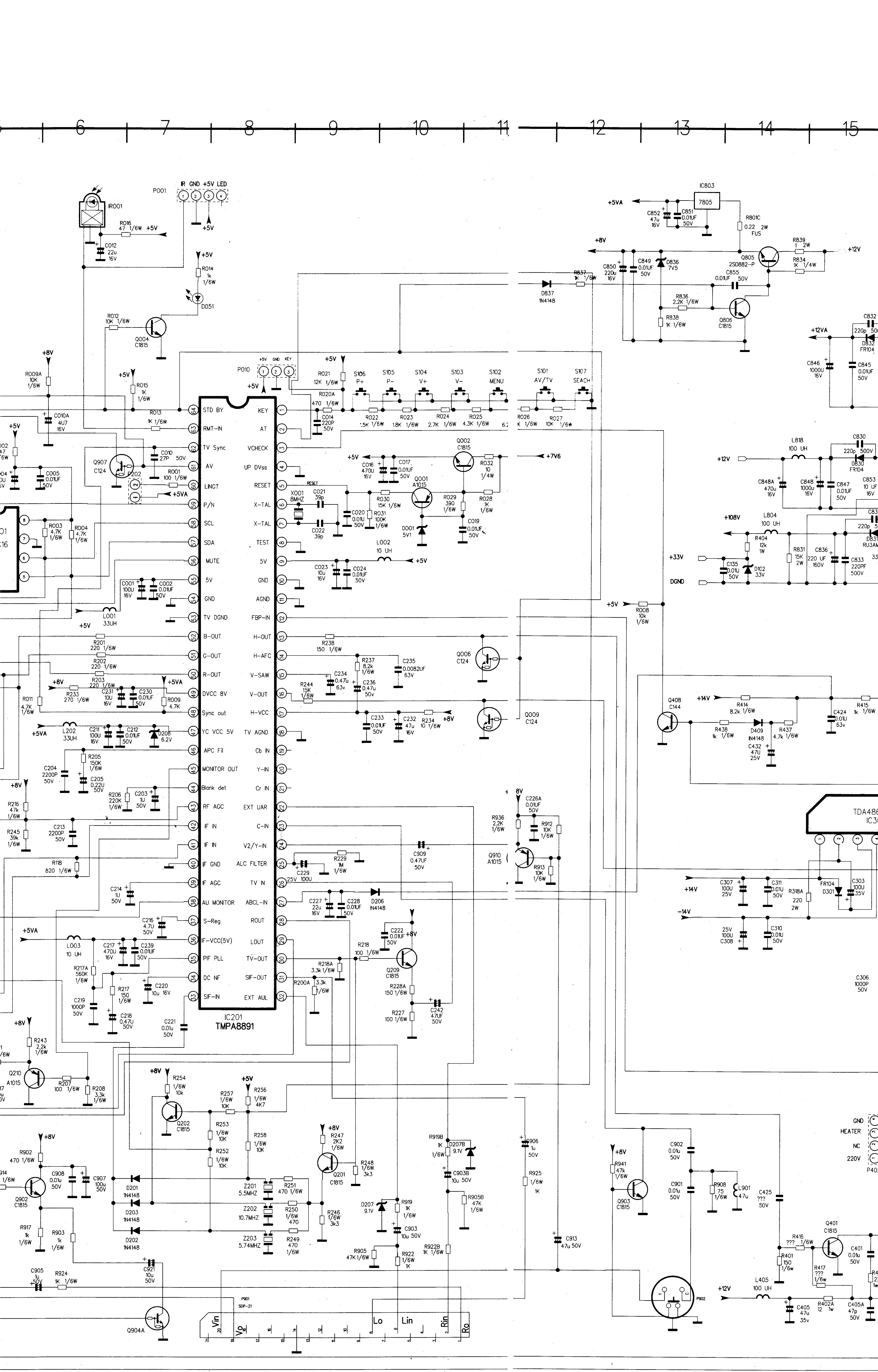
Напряжение измерял не в дежурном режиме. На 17 ноге напряжение 8 вольт, а на 49 ноге только 3. По схеме правый вывод R233. Обрезал немного схему , на ней видно.
Вложения:

Пожалуйста Войти или Регистрация, чтобы присоединиться к беседе.

Больше
07 мая 2011 18:54 #17 от Вячеслав
Вячеслав ответил в теме Ищу схему телевизора HYUNDAI H-TV1405
На схеме написано возле ноги +5VA, видишь? Это напряжение с 7805 плюс 5 Вольт, если его не будет то с восьми по току будет падение напряжения с 8 до 3-х.
ЕЩЁ РАЗ ПРОШУ ОТВЕТИТЬ - РАБОТАЕТ ЛИ 7805? На полной схеме с права с верху ищи +5VA от 7805.

Пожалуйста Войти или Регистрация, чтобы присоединиться к беседе.

Больше
07 мая 2011 18:57 #18 от Вячеслав
Вячеслав ответил в теме Ищу схему телевизора HYUNDAI H-TV1405
На этой схеме IC803 13-й и 14-й участок чертежа. +5VA есть?

Пожалуйста Войти или Регистрация, чтобы присоединиться к беседе.

Больше
31 мая 2011 20:19 #19 от Gen567dom
Gen567dom ответил в теме Ищу схему телевизора HYUNDAI H-TV1405
Спасибо за помощь. Был в отъезде и не смог поблагодарить сразу.

Пожалуйста Войти или Регистрация, чтобы присоединиться к беседе.

Больше
01 июнь 2011 19:20 #20 от Вячеслав
Вячеслав ответил в теме Ищу схему телевизора HYUNDAI H-TV1405
Извини, сейчас нашёл ошибку. Там нет точки, по-этому и нет напряжения как я писал. Необходимо начинать с начала.

Пожалуйста Войти или Регистрация, чтобы присоединиться к беседе.

Модераторы: Doc
Вся информация, предоставленная на данном ресурсе разрешена к ознакомлению детям школьного возраста. Все практическое использование может быть связана с повышенной электрической опасностью и разрешено детям только под присмотром взрослых.