Помогите!!!! Ищу схему счетчика импульсов

Больше
15 июнь 2010 06:10 #21 от Smoker

Rel@x пишет: Вот ни как не пойму smoker, у тебя что, личная неприязнь к ней, я имею ввиду Свету?
Вот все советуешь ей и советуешь, оно тебе надо? Это ее дело где, с кем и как ...
Может и ты много на форумах времени проводишь?
Неплохая бы сваха получилась ... 50/100 :wink:
Надеюсь не обидишься учитывая что у меня 40 и 80.

Да нет, как раз я к ней очень хорошо отношусь. А насчет советов, так я из страны Советов вышел, вот и даю советы! Да и скучно только о схемах говорить.

Пожалуйста Войти или Регистрация, чтобы присоединиться к беседе.

Больше
15 июнь 2010 06:13 #22 от Smoker

torkvil пишет: А ты учёл что вал может стоать в положении когда датчик будет подавать +5В (извини 0Вольт)? В этом случае он будет показывать максимальные обороты.

К моему стыду до сих пор не имею толком представления как работает датчик холла, я всегда думал что он срабатывает только на движение. А на статику нет. В этом случае нужно добавить на входе конденсатор и ждущий мультивибратор и все получится.

Пожалуйста Войти или Регистрация, чтобы присоединиться к беседе.

Больше
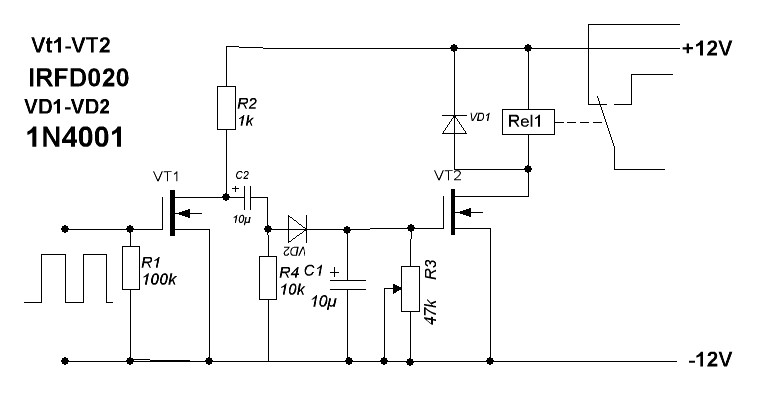
15 июнь 2010 06:37 #23 от Smoker
Еще вот так можно. Импульсы со стока через С2 и диод VD2 заряжают конденсатор С1 , когда он зарядится транзистор откроется и реле сработает. на малых оборотах конденсатор С1 не будет успевать зарядится так как разряжается через R3. Эта схема менее точна по времени, но резистором R3 можно подобрать время срабатывания в широких пределах.
Вложения:

Пожалуйста Войти или Регистрация, чтобы присоединиться к беседе.

  • }|{
  • }|{ аватар
Больше
15 июнь 2010 19:11 #24 от }|{
Rust2303, Вы, на мой взгляд, допустили типовую ошибку многих спрашивающих. В место описании своей проблемы - пытаетесь узнать частное решение, хотя могут быть и совершенно иные решения. Так и в Вашем
случае. Можно мереть частоту потом её сравнивать с заданной и принимать решение - включать реле или нет, а можно и просто используя схему smoker включать реле, что значительно проще. Собственно и я хотел описать аналогичную схему. Вот только с рисованием у меня проблемы. Наверняка есть и другие решения.

Пожалуйста Войти или Регистрация, чтобы присоединиться к беседе.

Больше
16 июнь 2010 17:14 #25 от Вячеслав
smoker, Я тоже не могу сказать как работает датчик Хола, но можем ли мы быть уверенными что, как написал автослесарь, там именно датчик Хола? По-этому я и задал такой вопрос.

Пожалуйста Войти или Регистрация, чтобы присоединиться к беседе.

Модераторы: Doc
Вся информация, предоставленная на данном ресурсе разрешена к ознакомлению детям школьного возраста. Все практическое использование может быть связана с повышенной электрической опасностью и разрешено детям только под присмотром взрослых.