Часы - будильник на микроконтроллере

  • Анонимный
  • Анонимный аватар Автор темы
04 июнь 2010 12:50 #1 от Анонимный
 Вашему вниманию предлагаются часы на МК PIC16F628A...

Часы - будильник на микроконтроллере

Пожалуйста Войти или Регистрация, чтобы присоединиться к беседе.

Больше
25 март 2018 15:15 #2 от Гер Штырлиц
Гер Штырлиц ответил в теме Часы - будильник на микроконтроллере
Господа ,поставил на данную схему большие индикаторы на 2.3'' , получил засветку неиспользуемых сегментов
причем если цифры на табло все одинаковые то не используемых сегменты не засвечиваются
как исправить такую ситуацию? на маленьких индикаторах на 0.36'' все работает как надо?
В какую сторону копать?

тероризм есть всего лишь способ привлеч к себе внимание

Пожалуйста Войти или Регистрация, чтобы присоединиться к беседе.

Больше
25 март 2018 21:37 - 25 март 2018 23:23 #3 от Николай Петрович
Николай Петрович ответил в теме Часы - будильник на микроконтроллере
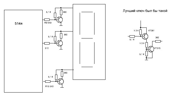
Попробуйте после ИД514 поставить транзисторные ключи, например на КТ361, несколько увеличив резисторы R9-R15. Очевидно ток сегментов слишком большой для 514й. Имел в виду так:

Может придётся уменьшить 360 Ом, если будут плохо светиться.
ЗЫ. фон Штырлиц это вы у нас спрашиваете как работает на маленьких индикаторах?!
Посмотрел даташиты и что то засомневался. Может, для начала поставить резисторы между базами и эмиттерами транзисторов VT3 - VT6 ? Килоома по 3.
Вложения:
Последнее редактирование: 25 март 2018 23:23 пользователем Николай Петрович.

Пожалуйста Войти или Регистрация, чтобы присоединиться к беседе.

Больше
26 март 2018 17:05 #4 от Гер Штырлиц
Гер Штырлиц ответил в теме Часы - будильник на микроконтроллере
это я уже попробовал , не получлось
видно причина этому то что 514ид14 имеет открытой коллектор , при такой схеме на вызодах ид14 даже логические уровни не менеются

тероризм есть всего лишь способ привлеч к себе внимание

Пожалуйста Войти или Регистрация, чтобы присоединиться к беседе.

Больше
26 март 2018 22:12 - 26 март 2018 22:37 #5 от Николай Петрович
Николай Петрович ответил в теме Часы - будильник на микроконтроллере
И что что открытый коллектор? Для нарисованых ключей логические уровни не нужны. Достаточно "0" или ничего и всё будет работать (ключи).
При открывании тр-ра м.схемы, с открытого коллектора и резисторы R9-R15 на ключи подаётся "0" который открывает ключ (тр-р КТ361) тот, в свою очередь зажигает соответствующий ему сегмент. Если "0" нет, транзистор (ключ) закрыт, сегмент не горит.
Последнее редактирование: 26 март 2018 22:37 пользователем Николай Петрович.

Пожалуйста Войти или Регистрация, чтобы присоединиться к беседе.

Модераторы: Doc
Вся информация, предоставленная на данном ресурсе разрешена к ознакомлению детям школьного возраста. Все практическое использование может быть связана с повышенной электрической опасностью и разрешено детям только под присмотром взрослых.