Индукционная печь - рабчая-ли схема?

Больше
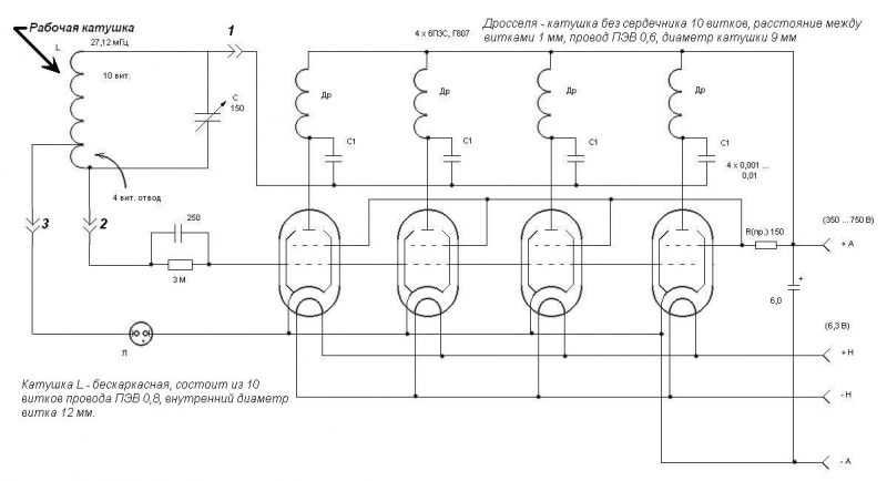
28 фев 2012 11:37 #1 от Алексей
Всем привет! Подскажите стоит ли собирать такую схему, отзывы о ней противоречивые, и когда вплотную взялся собрать её разглядел такую странность - мощность в рабочую катушку подаётся по одному проводу. Ведь если рассматривать упрощенно - то следующий проводник служит для подачи команд на лампы, третий проводник - для индикации. Неужели хватит "однопроводной" мощности чтоб греть до красна?
В высокочастотном токе разбираюсь слабо, извиняюсь если спрашиваю что-то не то.
Вложения:

Пожалуйста Войти или Регистрация, чтобы присоединиться к беседе.

Больше
28 фев 2012 12:52 #2 от Rrenovatio
Древняя как мамонт но рабочая, да не забудь её в экранированный корпус
засунуть, и ни в коем случае не вешай типа антенны на ножку "1" :evil:
иначе в твоём районе - сразу потеряют связь поезда и самолёты!
а потом будешь долго объяснять надзору за радиочастотами, что хотел отвёртку расплавить... :sick:

Пожалуйста Войти или Регистрация, чтобы присоединиться к беседе.

Больше
28 фев 2012 12:57 #3 от VLADER
Никакой странности нет. Это типовая схема генератора, собранная по схеме "индуктивная трёхточка". Работать должна. Смущает применение неонки Л в цепи отвода катушки, так как на ней будет рассеиваться относительно большая мощность. Я бы её не ставил.
Спасибо сказали: Алексей

Пожалуйста Войти или Регистрация, чтобы присоединиться к беседе.

Больше
28 фев 2012 13:10 - 28 фев 2012 13:13 #4 от Rrenovatio
VLADER прав!
а если хочешь индикацию то крутони по верх катушки один виток любого провода
и присоедини к нему лампочку вольт на 3.5 или неонку всё равно засветится...
это и будет означать что прибор вошёл в режим работы!
:P
и не добавляй ещё каскады... а то HAAportal переплюнешь...
амеры будут отдыхать! :P

Последнее редактирование: 28 фев 2012 13:13 пользователем Rrenovatio.

Пожалуйста Войти или Регистрация, чтобы присоединиться к беседе.

Больше
28 фев 2012 16:01 #5 от Алексей
Алексей ответил в теме Индукционная печь - рабчая-ли схема?
Благодарю за отзывы! Очень обрадовали, а то вот лампы пришли стал собирать и тут такая загадочная часть, засомневался и руки опустились.
Насчёт радиопомех - буду глубоко под землёй экспериментировать - не прорвутся. Поначалу хотел просто владеть такой печью, но схема так удивила меня что теперь потянуло на эксперименты. Как соберу, поделюсь впечатлениями.

Пожалуйста Войти или Регистрация, чтобы присоединиться к беседе.

Модераторы: Doc
Вся информация, предоставленная на данном ресурсе разрешена к ознакомлению детям школьного возраста. Все практическое использование может быть связана с повышенной электрической опасностью и разрешено детям только под присмотром взрослых.