- Сообщений: 8
- Спасибо получено: 0
Помогите разобраться со схемой
- Леонид
-
Автор темы
- Не в сети
Less
Больше
08 дек 2013 22:48 - 08 дек 2013 22:53 #1
от Леонид
Леонид создал тему: Помогите разобраться со схемой
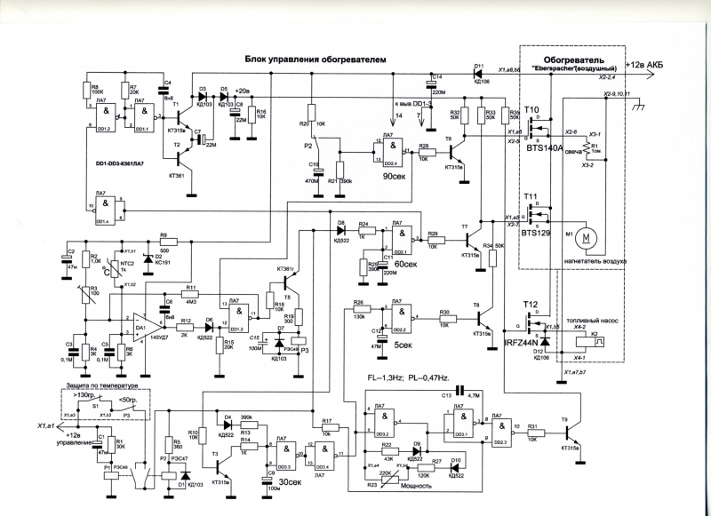
Всем доброго дня. Купил я год назад авто, на котором оказался установлен обогреватель"Eberspacher-D1LC". Да вот беда, не работает. При ближайшем рассмотрении оказался сгоревший блок управления, пришлось морщить лоб. Что из этого вышло -- смотрите, как в песне, я его слепил из того что было, в закромах и в голове, не обессудьте. С современной элементной базой не дружу, поздно. Может мои потуги кому сгодятся.
Теперь о главном. Схема работает примерно так: силовое напряжение +12В подаётся на х1-а8в8 блока управления (б/у) и х2.2,4 обогревателя. На Х1-a1, +12в - управление, при этом кратковременно срабатывает Р1 и включает Р2, которое включает С10 на разряд (9Осекунд, время работы свечи), заряжает С11 (б0 сек. время выбега вентилятора после выключения или аварии). Также заряжает С9 (ЗО сек. время вентиляции камеры сгорания) и разрешает работу генератора топливного насоса DD3-1.2. Вентилятор работает на 50% мощности т.к. T8 открыт и силовой ключ открыт на 50%.
По истечении ЗО сек. запускается топливный насос и заряжается С12. Через 5сек. Т8 закрывается и вентилятор переходит на 100% мощности. Печка начала работу. Термометр на DA1 измеряет
температуру теплообменника. Через 90 сек., если температура не повысилась >50гр., на 12и13 ноги DD1.3 поступают единицы, при этом срабатывает РЗ и выключает печку, вентилятор продолжает работать б0сек., вентилируя камеру сгорания. (У этой печки нет датчика пламени). При перегреве камеры сгорания >130гр. S1 выключает печку. Для повторного включения нужно выключить и снова включить «Пуск». Дождавшись окончания работы вентилятора, преобразователь на DD2.1,2,4 выдаёт +12В для управления силовыми ключами. С15 устраняет дребезг реле РЗ. Резистор R23 изменяет мощность печки. Алгоритм работы слизал от Вебасто в инете. Добавил ПП б.у. и силового блока
Теперь о главном. Схема работает примерно так: силовое напряжение +12В подаётся на х1-а8в8 блока управления (б/у) и х2.2,4 обогревателя. На Х1-a1, +12в - управление, при этом кратковременно срабатывает Р1 и включает Р2, которое включает С10 на разряд (9Осекунд, время работы свечи), заряжает С11 (б0 сек. время выбега вентилятора после выключения или аварии). Также заряжает С9 (ЗО сек. время вентиляции камеры сгорания) и разрешает работу генератора топливного насоса DD3-1.2. Вентилятор работает на 50% мощности т.к. T8 открыт и силовой ключ открыт на 50%.
По истечении ЗО сек. запускается топливный насос и заряжается С12. Через 5сек. Т8 закрывается и вентилятор переходит на 100% мощности. Печка начала работу. Термометр на DA1 измеряет
температуру теплообменника. Через 90 сек., если температура не повысилась >50гр., на 12и13 ноги DD1.3 поступают единицы, при этом срабатывает РЗ и выключает печку, вентилятор продолжает работать б0сек., вентилируя камеру сгорания. (У этой печки нет датчика пламени). При перегреве камеры сгорания >130гр. S1 выключает печку. Для повторного включения нужно выключить и снова включить «Пуск». Дождавшись окончания работы вентилятора, преобразователь на DD2.1,2,4 выдаёт +12В для управления силовыми ключами. С15 устраняет дребезг реле РЗ. Резистор R23 изменяет мощность печки. Алгоритм работы слизал от Вебасто в инете. Добавил ПП б.у. и силового блока
Последнее редактирование: 08 дек 2013 22:53 пользователем Doc.
Пожалуйста Войти или Регистрация, чтобы присоединиться к беседе.
- Doc
-
- Не в сети
08 дек 2013 22:54 #2
от Doc
Малое знание опасно, впрочем, как и большое....
Doc ответил в теме Помогите разобраться со схемой
В чем именно проблема , что не понятно?
Малое знание опасно, впрочем, как и большое....
Спасибо сказали: Леонид
Пожалуйста Войти или Регистрация, чтобы присоединиться к беседе.
- Стас
-
- Не в сети
Less
Больше
- Сообщений: 394
- Спасибо получено: 29
09 дек 2013 07:34 #3
от Стас
Стас ответил в теме Помогите разобраться со схемой
Я так понимаю, Вам нужно помочь подключить блок управления? Из сообщения немного трудно понять в чём собственно Вы нас просите.
Спасибо сказали: Леонид
Пожалуйста Войти или Регистрация, чтобы присоединиться к беседе.
- Леонид
-
Автор темы
- Не в сети
Less
Больше
- Сообщений: 8
- Спасибо получено: 0
09 дек 2013 12:13 #4
от Леонид
Леонид ответил в теме Помогите разобраться со схемой
Доброго всем дня! Огромное СПАСИБО DOC і СТАС,что откликнулись... В электронике не силён, прошу помощи у грамотных людей. Схема не моя, её разработал некто Skripka2 на одном из форумов, но ни пояснений, ни отзывов по ней на том форуме я не нашёл...Я думаю, что это не плагиат, что я вынес схему на Ваш форум? Меня интересует работоспособность схемы, т. к. на схеме С3 и С5 обычные ёмкости... Кажется, что там должны быть электролиты (видно из монтажной схемы). Из схемы пропал транзистор Т4, может это ошибка при черчении схемы? Интересует такая замена: вместо полевика Т10 поставить силовое реле, такая же замена и Т12. Нагнетатель потребляет 3,5 А. Т11 выдержит эту нагрузку? Вся затея в том, чтобы сделать самодельный отопитель, чем то похож на Эбершпехер, но свой... Лучше я думаю не будет, но работать должен. Уж очень они дорогие, эти импорные... Стас, может мы смогли бы списаться через э/почту, чтоб не отвлекать внимания людей?
Заранее благодарен. С уважением Леонид.
Заранее благодарен. С уважением Леонид.
Пожалуйста Войти или Регистрация, чтобы присоединиться к беседе.
- Стас
-
- Не в сети
Less
Больше
- Сообщений: 394
- Спасибо получено: 29
09 дек 2013 12:51 #5
от Стас
Стас ответил в теме Помогите разобраться со схемой
Добрый день. Думаю что ни чего страшного не будет, если мы будем общаться через форум. Но если Вам не удобно, пишите в личку. По поводу замены реле, думаю нет смысла их менять, например Т12 выдержит 50А. По Т10 и Т11 необходимо смотреть даташит, думаю что и они справятся лучше любой мощной реле. Свободен обычно по вечерам, что бы можно было спокойно покумекать. В данный момент времени на работе и могу общаться только урывками.
Спасибо сказали: Леонид
Пожалуйста Войти или Регистрация, чтобы присоединиться к беседе.
Модераторы: Doc