- Спасибо получено: 0
Микрофонные усилители с питанием по линии связи
- Mechanik
-
Автор темы
Less
Больше
07 окт 2006 22:49 #1
от Mechanik
Mechanik создал тему: Микрофонные усилители с питанием по линии связи
Нужны схемы усилителей для конденсаторных (электретных) микрофонов с питанием по линии связи (всего 2 провода: экран+сигнал), по типу питания антенных усилителей в активных ТВ-антенах.
Схема должна иметь высокую чувствительность и питание порядка 1,5-3,0 В. Выполненна она может быть на 1-3 транзисторах (полевых или биполярных).
Схему планируется использовать для повышения чувствительности дешевых китайских и иных компьютерных гарнитур и микрофонов, в которые вечно приходится орать, поднимая ночью на ноги весь дом.
Буду весьма рад рассмотреть все разумные варианты и решения этой проблемы.
Схема должна иметь высокую чувствительность и питание порядка 1,5-3,0 В. Выполненна она может быть на 1-3 транзисторах (полевых или биполярных).
Схему планируется использовать для повышения чувствительности дешевых китайских и иных компьютерных гарнитур и микрофонов, в которые вечно приходится орать, поднимая ночью на ноги весь дом.
Буду весьма рад рассмотреть все разумные варианты и решения этой проблемы.
Пожалуйста Войти или Регистрация, чтобы присоединиться к беседе.
- RVRSS
-
Less
Больше
- Спасибо получено: 0
08 окт 2006 06:30 #2
от RVRSS
RVRSS ответил в теме Микрофонные усилители с питанием по линии связи
Если я правильно понял, то микрофоны электретные с встроенными усилителями (они насколько знаю сейчас все такие) и при подключении уже получают питающее напряжение по сигнальному проводу для правильной своей работы (так во всяком случае должно быть), но при этом все равно мало звука?
Тогда думаю, что для дополнительного усилителя общего напряжения питания 1,5-3В не хватит, ведь нужен дополнительный фильтр, на котором потеряется 1-2В, так что "в начале" должно быть не менее 5В.
Для возможности передачи звукового сигнала питание придется (как видимо и в оригинале) подавать через резистор, только видимо в этом случае меньшего сопротивления (до 1 кОм).
Дальше, уже на микрофонной стороне, можно поставить источник тока на транзисторе Р-типа и двух диодах и резисторах, по традиционной схеме (ток думаю около 0,5 мА, соотв. эмм. резистор около 1-1,5 ком, базовый около 100 кОм).
Его выход (коллектор транзистора) нагружается на стабилитрон с напр. примерно 3В, зашунтированный э-литом возможно большей емкости, для лучшей развязки.
С этой же точки через резистор около 5кОм получает питание сам микрофон, и с нее же снимается сигнал для усилителя на транзисторе (или двух по составной схеме Дарлингтона или с доп. симметрией, если не хватит усиления) по опять же традиционной схеме ОЭ (Ку определяется соотношением резисторов в цепи колл., т.е. питания, и эмм., например если первое 1 кОм, то для Ку
второе должно быть 330 ом).
В таком усилителе сигнал инвертируется, что поможет избежать самовозбуждения из за остаточной связи по питанию.
Сдвиг постоянного уровня на входе усилителя, если не использовать отдельное смещение и разделительный конденсатор, можно сделать на нескольких последовательно соединенных диодах.
Тогда думаю, что для дополнительного усилителя общего напряжения питания 1,5-3В не хватит, ведь нужен дополнительный фильтр, на котором потеряется 1-2В, так что "в начале" должно быть не менее 5В.
Для возможности передачи звукового сигнала питание придется (как видимо и в оригинале) подавать через резистор, только видимо в этом случае меньшего сопротивления (до 1 кОм).
Дальше, уже на микрофонной стороне, можно поставить источник тока на транзисторе Р-типа и двух диодах и резисторах, по традиционной схеме (ток думаю около 0,5 мА, соотв. эмм. резистор около 1-1,5 ком, базовый около 100 кОм).
Его выход (коллектор транзистора) нагружается на стабилитрон с напр. примерно 3В, зашунтированный э-литом возможно большей емкости, для лучшей развязки.
С этой же точки через резистор около 5кОм получает питание сам микрофон, и с нее же снимается сигнал для усилителя на транзисторе (или двух по составной схеме Дарлингтона или с доп. симметрией, если не хватит усиления) по опять же традиционной схеме ОЭ (Ку определяется соотношением резисторов в цепи колл., т.е. питания, и эмм., например если первое 1 кОм, то для Ку
второе должно быть 330 ом).В таком усилителе сигнал инвертируется, что поможет избежать самовозбуждения из за остаточной связи по питанию.
Сдвиг постоянного уровня на входе усилителя, если не использовать отдельное смещение и разделительный конденсатор, можно сделать на нескольких последовательно соединенных диодах.
Пожалуйста Войти или Регистрация, чтобы присоединиться к беседе.
- Mechanik
-
Автор темы
Less
Больше
- Спасибо получено: 0
08 окт 2006 20:23 #3
от Mechanik
Mechanik ответил в теме Микрофонные усилители с питанием по линии связи
Для RVRSS.
Да, вы совершенно правильно поняли! Именно со встроенным уже усилителем (обычно прямо в корпусе микрофона стоит полевичок, а может это микрушка без обвязки, не знаю). Хотелось бы, между таким микрофоном и входом устройства (компьютер, например), включить усилитель, который бы получал питание с самого микрофонного входа, что-бы избежать проблемы подвода дополнительного провода питания. Вмонтировать просто в микрофон или гарнитуру и всё! К тому же компьютер изначально предрасположен для использования именно такого типа микрофонов, следовательно напряжение питания на входе у него присуствует. Когда-то, в 80-е годы, у меня была книжка по аккустике, одного венгерского автора. Там приводились прекраснейшие примеры таких усилителей, всего на 2-3х полевиках с минимумом обвязки, правда для динамических микрофонов и предназначалось всё это для ансамблей. Куда я её дел, черт его знает! А сейчас в голове вертится пример, а вспомнить толком не могу! Хочу попробовать использовать подобный усилитель при работе на компьютере. Давно обратил внимание, что не смотря на то, что хотя движки в микшере стоят по максимуму, эти микрофоны не обеспечивают нормального уровня сигнала на входе. При разговоре их приходится подносить к самому рту и вести разговор на повышенных тонах. Достаточно их поставить на стол, хотя-бы в 30-40см от себя и всё, все индикаторы уровня падают почти до нуля и ни о какой записи или общении не может быть и речи, никто тебя уже не слышит. Возможно есть другие варианты решения этой проблемы? Буду рад услышать! :!:
Да, вы совершенно правильно поняли! Именно со встроенным уже усилителем (обычно прямо в корпусе микрофона стоит полевичок, а может это микрушка без обвязки, не знаю). Хотелось бы, между таким микрофоном и входом устройства (компьютер, например), включить усилитель, который бы получал питание с самого микрофонного входа, что-бы избежать проблемы подвода дополнительного провода питания. Вмонтировать просто в микрофон или гарнитуру и всё! К тому же компьютер изначально предрасположен для использования именно такого типа микрофонов, следовательно напряжение питания на входе у него присуствует. Когда-то, в 80-е годы, у меня была книжка по аккустике, одного венгерского автора. Там приводились прекраснейшие примеры таких усилителей, всего на 2-3х полевиках с минимумом обвязки, правда для динамических микрофонов и предназначалось всё это для ансамблей. Куда я её дел, черт его знает! А сейчас в голове вертится пример, а вспомнить толком не могу! Хочу попробовать использовать подобный усилитель при работе на компьютере. Давно обратил внимание, что не смотря на то, что хотя движки в микшере стоят по максимуму, эти микрофоны не обеспечивают нормального уровня сигнала на входе. При разговоре их приходится подносить к самому рту и вести разговор на повышенных тонах. Достаточно их поставить на стол, хотя-бы в 30-40см от себя и всё, все индикаторы уровня падают почти до нуля и ни о какой записи или общении не может быть и речи, никто тебя уже не слышит. Возможно есть другие варианты решения этой проблемы? Буду рад услышать! :!:
Пожалуйста Войти или Регистрация, чтобы присоединиться к беседе.
- RVRSS
-
Less
Больше
- Спасибо получено: 0
09 окт 2006 00:24 #4
от RVRSS
RVRSS ответил в теме Микрофонные усилители с питанием по линии связи
Ну тогда будет как раз правильно начать с варианта, описанного в моем первом ответе, единственное, что может потребоваться, если не использовать дополнительное питание - это проверить и при необходимости уменьшить нагрузочный резистор в цепи питания в самом компьютере, чтобы хватило тока и для дополнительного усилителя.
К сожалению, не имею хорошей возможности дать готовую схему, т.к. для своих нужд по старинке рисую на бумаге, но не имею сканера и соотв. программ к нему, а доступные проги по рисованию схем или очень сложные и капризные (ради простых схемочек вряд ли есть смысл тратить драгоценное время на освоение), или русифицированы (а у меня англ. винда, а сам я не компьютерист, расширений для инстала не имею), но думаю ввиду простоты схемы все и так должно быть понятно из описания.
Попробую еще обычным рисовальщиком, может что-то получится.
К сожалению, не имею хорошей возможности дать готовую схему, т.к. для своих нужд по старинке рисую на бумаге, но не имею сканера и соотв. программ к нему, а доступные проги по рисованию схем или очень сложные и капризные (ради простых схемочек вряд ли есть смысл тратить драгоценное время на освоение), или русифицированы (а у меня англ. винда, а сам я не компьютерист, расширений для инстала не имею), но думаю ввиду простоты схемы все и так должно быть понятно из описания.
Попробую еще обычным рисовальщиком, может что-то получится.
Пожалуйста Войти или Регистрация, чтобы присоединиться к беседе.
- RVRSS
-
Less
Больше
- Спасибо получено: 0
09 окт 2006 03:25 #5
от RVRSS
RVRSS ответил в теме Микрофонные усилители с питанием по линии связи
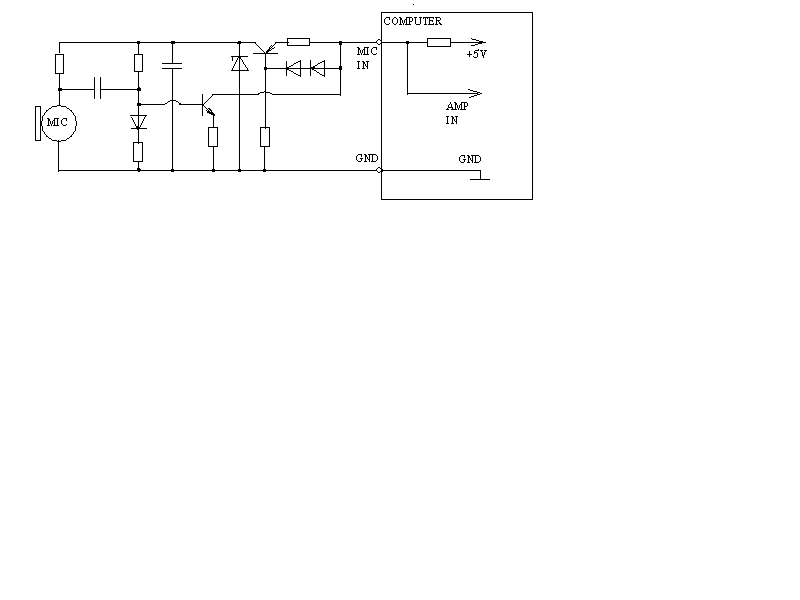
Ну вот кое что намучил.
Все как описано, кроме цепи смещения транзистора собственно усилителя - думаю, этот вариант самый лучший и универсальный.
Номиналов не привожу, т.к. они зависят от конкретного исполнения усилителя в зависимости от реальных условий и потребностей (некоторые примеры есть в моем первом ответе).
Из нововведений - верхний резистор делителя в цепи смещения может быть около 100 кОм, нижний подбирается вместе с эммиттерным под нужный Ку для получения умеренного падения напряжения на линии питания (думаю, допустимо до 0,5-1В).
Полярность конденсаторов думаю понятна из самой схемы.
Все как описано, кроме цепи смещения транзистора собственно усилителя - думаю, этот вариант самый лучший и универсальный.
Номиналов не привожу, т.к. они зависят от конкретного исполнения усилителя в зависимости от реальных условий и потребностей (некоторые примеры есть в моем первом ответе).
Из нововведений - верхний резистор делителя в цепи смещения может быть около 100 кОм, нижний подбирается вместе с эммиттерным под нужный Ку для получения умеренного падения напряжения на линии питания (думаю, допустимо до 0,5-1В).
Полярность конденсаторов думаю понятна из самой схемы.
Вложения:
Пожалуйста Войти или Регистрация, чтобы присоединиться к беседе.
Модераторы: Doc