- Сообщений: 71
- Спасибо получено: 0
Сабфуферы
- Икбол Насыров
-
- Не в сети
Less
Больше
18 нояб 2006 10:55 #6
от Икбол Насыров
Икбол Насыров ответил в теме Сабфуферы
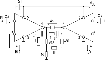
This is present for, my young friend! Here you are!
Вложения:
Пожалуйста Войти или Регистрация, чтобы присоединиться к беседе.
- alex-tehnoman
-
Less
Больше
- Спасибо получено: 0
26 окт 2007 21:21 #7
от alex-tehnoman
alex-tehnoman ответил в теме Сабфуферы
Радиогубитель, если не трудно вышли и мне схемку на мыло
alex-tehnoman@mail.ru
Пожалуйста Войти или Регистрация, чтобы присоединиться к беседе.
- Александр
-
Less
Больше
- Спасибо получено: 0
26 окт 2007 22:03 #8
от Александр
Александр ответил в теме Сабфуферы
alex-tehnoman пишет: Радиогубитель, если не трудно вышли и мне схемку на мыло alex-tehnoman@mail.ru
Вложения:
Пожалуйста Войти или Регистрация, чтобы присоединиться к беседе.
- K01I
-
Less
Больше
- Спасибо получено: 0
15 нояб 2007 19:25 #9
от K01I
это принцип - он принцип и на этом всЁ!
Радиогубитель, если не трудно ВЫЛОЖИ СЮДА АРХИВЧИК с сабвуфуром
K01I ответил в теме Сабфуферы
maj пишет:
alex-tehnoman пишет: Радиогубитель, если не трудно вышли и мне схемку на мыло alex-tehnoman@mail.ru
это принцип - он принцип и на этом всЁ!
Радиогубитель, если не трудно ВЫЛОЖИ СЮДА АРХИВЧИК с сабвуфуром
Пожалуйста Войти или Регистрация, чтобы присоединиться к беседе.
- K01I
-
Less
Больше
- Спасибо получено: 0
15 нояб 2007 19:26 #10
от K01I
K01I ответил в теме Сабфуферы
на какой микрухе фильтр и усил и кокого порядка фильтр и характеристики
сам считаю для себя:
фильтр порядка 4...8 регулируемый 100...500Гц на микрухе (авто) tda1562
сам считаю для себя:
фильтр порядка 4...8 регулируемый 100...500Гц на микрухе (авто) tda1562
Пожалуйста Войти или Регистрация, чтобы присоединиться к беседе.
Модераторы: Doc