STK4142-2

  • demin_vm
  • demin_vm аватар
Больше
09 март 2008 20:19 #6 от demin_vm
demin_vm ответил в теме STK4142-2
пробовал STK4241V. 120+120 Вт на 8 Ом. искажения 0.08%. играла чисто и громко, можно сказать что практически не грелась, но в процессе отладки преобразователя 12/+-50В из-за "соплей" спалил один канал. Ввиду приличной цены этой микрухи дальнейшие опыты не проводились. Вывод: микруха хорошая но нежная и дорогая.

Пожалуйста Войти или Регистрация, чтобы присоединиться к беседе.

  • Гитарист
  • Гитарист аватар Автор темы
Больше
27 мая 2008 06:20 #7 от Гитарист
Гитарист ответил в теме STK4142-2
Ага, нежная, чуткая, но не очень -то и дорогая! Около 300р обошлась!
Действительно хороший звук дает! И не заваливается! Правда лап и обвески по сравнению с ТДА заметно больше! А вобще хорошая! Рекомендую, кому интересно! Схем в интернете достаточно много!

Пожалуйста Войти или Регистрация, чтобы присоединиться к беседе.

Больше
16 нояб 2009 18:53 #8 от alibaba
alibaba ответил в теме STK4142-2
STK4142-2 не пробовал, а вот STK4231-2 вещь прелестная, хотя 320 W не выжимал меня устроили 150-180. Работает в двух сабах в авто, в одном две головки 75гд в другом пара 8ГД1, работают 1,5 и 2 года. Проблемы были только с питанием. Кстати о питании может у кого есть выверенная схема 12/ +-30...50вольт.

Пожалуйста Войти или Регистрация, чтобы присоединиться к беседе.

Больше
16 нояб 2009 19:33 #9 от Вячеслав
Вячеслав ответил в теме STK4142-2
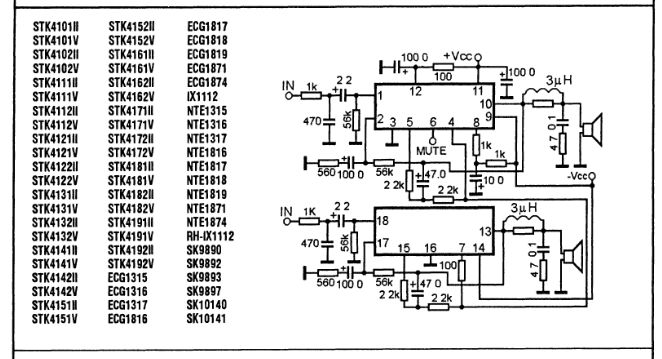
Могу дать характеристики и типовую схему включения
Вложения:

Пожалуйста Войти или Регистрация, чтобы присоединиться к беседе.

Модераторы: Doc
Вся информация, предоставленная на данном ресурсе разрешена к ознакомлению детям школьного возраста. Все практическое использование может быть связана с повышенной электрической опасностью и разрешено детям только под присмотром взрослых.