Усилитель 100 Ватт на TDA7294
- Александр
-
Автор темы
- Не в сети
Less
Больше
07 окт 2012 20:59 #66
от Александр
Александр ответил в теме Усилитель 100 Ватт на TDA7294
исключил аккамулятор из источника питания для микросистемы. Вместо него зарядное от гнусмаса 750мА (вместо сони эриксоновского 450мА). При пяти минутах воспроизведения с флешки в одном динамике появляются паразитические шумы, тихие. Что это может быть?
Пожалуйста Войти или Регистрация, чтобы присоединиться к беседе.
- Александр
-
Автор темы
- Не в сети
09 окт 2012 20:59 - 09 окт 2012 21:04 #67
от Александр
Александр ответил в теме Re: Усилитель 100 Ватт на TDA7294
Подведём итог: сколько средств потрачено на качественный усилитель для дома (+ дизайн и дополнительные опции).
1 x Радиоконструктор RM324 (K205) (УНЧ TDA7294 стерео 2х100W/ моно170W) 74.00 грн
1 x Диодный мост GBU25M(1000V; 25,0A) 7.45 грн
1 x Ручка потенциометра AL-PK 21-17 (золотая) аллюминиевая 2.60 грн
1 x Гнездо на колонки зажим прямой 4-х, 19ммх63мм 1.35 грн
1 x Гнездо RCA на плате 1x2RCA 0.90 грн
1 x Штекер RCA белый с пружиной (пласт) 0.45 грн
1 x Штекер RCA красный с пружиной (пласт) 0.50 грн
1 x Выключатель с подсветкой 220V 133, синий, 15A(ON-OFF) 2.10 грн
1 x Резистор переменный WH148-1B-2 B 20 кОм, стерео (прямые контакты) 2.15 грн
4 x Конденсатор электролитический 4700 мкФ х 50В 34.80 грн
1 x Штекер 3,5 стерео рифленный с пружиной (желтый металл) 2.25 грн
2 x Держатель под предохранитель 172, 5х20 1.30 грн
1 x Предохранитель 5х20 4.0А 0.20 грн
1 x Предохранитель 5х20 3.0А 0.20 грн
1 х MP2896 - Встраиваемая микросистема: FM, USB, SD, ДУ, часы /
будильник. LED дисплей 140 грн
4м х Обои клейкие глянцевые 80 грн
3 х сломанные свёрла ≈7 грн
80 х саморезы ≈12 грн
2 х Конденсатор электролитический (небыло в комплекте) 22мкф х 63В 5 грн
1 х Термопаста 8 грн
1 х Вентилятор Ø 80 мм, 12В 12 грн
2 х Прямые руки - Бесценно
6м Аккустический кабель 15 грн
Доставка 25 грн + 32 грн
Итого: 491 грн. Ого :blink: . Неожидал.
В случае если TDA7294 когда-нибудь сгорит их можно будет заменить на TDA7293 без изменения монтажа, а это ещё +40 Ватт на одну микросхему
Продолжаю работу над колонками.
P.S. Doc зацени.
1 x Радиоконструктор RM324 (K205) (УНЧ TDA7294 стерео 2х100W/ моно170W) 74.00 грн
1 x Диодный мост GBU25M(1000V; 25,0A) 7.45 грн
1 x Ручка потенциометра AL-PK 21-17 (золотая) аллюминиевая 2.60 грн
1 x Гнездо на колонки зажим прямой 4-х, 19ммх63мм 1.35 грн
1 x Гнездо RCA на плате 1x2RCA 0.90 грн
1 x Штекер RCA белый с пружиной (пласт) 0.45 грн
1 x Штекер RCA красный с пружиной (пласт) 0.50 грн
1 x Выключатель с подсветкой 220V 133, синий, 15A(ON-OFF) 2.10 грн
1 x Резистор переменный WH148-1B-2 B 20 кОм, стерео (прямые контакты) 2.15 грн
4 x Конденсатор электролитический 4700 мкФ х 50В 34.80 грн
1 x Штекер 3,5 стерео рифленный с пружиной (желтый металл) 2.25 грн
2 x Держатель под предохранитель 172, 5х20 1.30 грн
1 x Предохранитель 5х20 4.0А 0.20 грн
1 x Предохранитель 5х20 3.0А 0.20 грн
1 х MP2896 - Встраиваемая микросистема: FM, USB, SD, ДУ, часы /
будильник. LED дисплей 140 грн
4м х Обои клейкие глянцевые 80 грн
3 х сломанные свёрла ≈7 грн
80 х саморезы ≈12 грн
2 х Конденсатор электролитический (небыло в комплекте) 22мкф х 63В 5 грн
1 х Термопаста 8 грн
1 х Вентилятор Ø 80 мм, 12В 12 грн
2 х Прямые руки - Бесценно
6м Аккустический кабель 15 грн
Доставка 25 грн + 32 грн
Итого: 491 грн. Ого :blink: . Неожидал.
В случае если TDA7294 когда-нибудь сгорит их можно будет заменить на TDA7293 без изменения монтажа, а это ещё +40 Ватт на одну микросхему
Продолжаю работу над колонками.
P.S. Doc зацени.
Последнее редактирование: 09 окт 2012 21:04 пользователем Александр.
Пожалуйста Войти или Регистрация, чтобы присоединиться к беседе.
- Стас
-
- Не в сети
Less
Больше
- Сообщений: 394
- Спасибо получено: 29
10 окт 2012 13:58 #68
от Стас
Стас ответил в теме Усилитель 100 Ватт на TDA7294
Поздравляю с окончанием сборки усилителя! Успехов в изготовлении колонок.
Пожалуйста Войти или Регистрация, чтобы присоединиться к беседе.
- Александр
-
Автор темы
- Не в сети
11 окт 2012 19:51 #69
от Александр
Александр ответил в теме Усилитель 100 Ватт на TDA7294
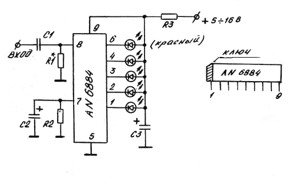
Спасибо. Хочется ещё какой-нибудь простенький светодиодный Vu-meter на транзисторах собрать, но как вижу схемы требуют большого количества деталей.
Пожалуйста Войти или Регистрация, чтобы присоединиться к беседе.
- Стас
-
- Не в сети
Less
Больше
- Сообщений: 394
- Спасибо получено: 29
11 окт 2012 20:41 #70
от Стас
Стас ответил в теме Re: Усилитель 100 Ватт на TDA7294
Вложения:
Пожалуйста Войти или Регистрация, чтобы присоединиться к беседе.
Модераторы: Doc