- Сообщений: 2505
- Спасибо получено: 78
Усилитель 100 Ватт на TDA7294
- Rrenovatio
-
- Не в сети
Less
Больше
18 сен 2012 18:53 - 18 сен 2012 18:54 #6
от Rrenovatio
Rrenovatio ответил в теме Усилитель 100 Ватт на TDA7294
Вложения:
Последнее редактирование: 18 сен 2012 18:54 пользователем Rrenovatio.
Пожалуйста Войти или Регистрация, чтобы присоединиться к беседе.
- Rrenovatio
-
- Не в сети
Less
Больше
- Сообщений: 2505
- Спасибо получено: 78
18 сен 2012 18:57 #7
от Rrenovatio
Rrenovatio ответил в теме Усилитель 100 Ватт на TDA7294
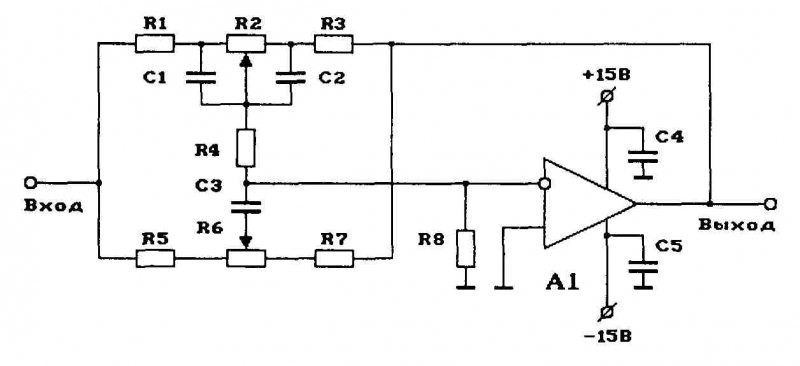
Элементы для схемы на рис 1 :
R1=47K, R2=100K(H4), Р3=47к, R4=39K. R5=5.6K, Рб=100к(ВЧ), R7=180K, R8=33K, R9=3.9K, R10=1K,
С1=39н, С2=ЗОмкФ-100мкФ, СЗ=5мкФ-20мкФ, С4=2.2н, С5=2.2н. Сб=ЗОмкФ-100мкФ:
Т1 - КТ3102, КТ315 или аналогичные.
R1=47K, R2=100K(H4), Р3=47к, R4=39K. R5=5.6K, Рб=100к(ВЧ), R7=180K, R8=33K, R9=3.9K, R10=1K,
С1=39н, С2=ЗОмкФ-100мкФ, СЗ=5мкФ-20мкФ, С4=2.2н, С5=2.2н. Сб=ЗОмкФ-100мкФ:
Т1 - КТ3102, КТ315 или аналогичные.
Пожалуйста Войти или Регистрация, чтобы присоединиться к беседе.
- Rrenovatio
-
- Не в сети
Less
Больше
- Сообщений: 2505
- Спасибо получено: 78
18 сен 2012 18:58 #8
от Rrenovatio
Rrenovatio ответил в теме Усилитель 100 Ватт на TDA7294
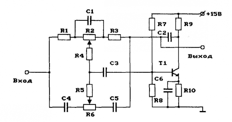
Элементы для схемы на рис.2:
R1=11K,R2=100K(H4),R3=11K,R4=11K,R5=3.6K,R6=500K(B4),R7=3.6K, R8=750;
С1=005мкФ, С2=0.05мкФ, СЗ=0.005мкФ, С4=0.1 мкф-0.47мкф, С5=0.1 мкф-0.47мкф;
ОУ - 140УД12,140УД20, 140УД8 или любые другие ОУ в типовом включении и желательно с внутренней коррекцией.
R1=11K,R2=100K(H4),R3=11K,R4=11K,R5=3.6K,R6=500K(B4),R7=3.6K, R8=750;
С1=005мкФ, С2=0.05мкФ, СЗ=0.005мкФ, С4=0.1 мкф-0.47мкф, С5=0.1 мкф-0.47мкф;
ОУ - 140УД12,140УД20, 140УД8 или любые другие ОУ в типовом включении и желательно с внутренней коррекцией.
Пожалуйста Войти или Регистрация, чтобы присоединиться к беседе.
- Rrenovatio
-
- Не в сети
Less
Больше
- Сообщений: 2505
- Спасибо получено: 78
18 сен 2012 18:59 #9
от Rrenovatio
Rrenovatio ответил в теме Усилитель 100 Ватт на TDA7294
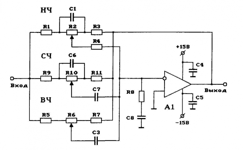
Трехполосный регулятор тембра дает лучший результат подавления помех, чем двухполосный регулятор.

Элементы для схемы на рис.3 :
R1=11K,R2=100K(H4), R3=11K, R4=11K, R5=1.8K, Р6=500к(ВЧ), R7=1.8K, R8=280, R9=3.6K, R10=100K (СЧ), R11=3.6K;
С1=0.05мкФ, С2 - отсутствует, СЗ=0.005мкФ, С4=0.1 мкф-0.47мкф, С5=0.1 мкф-0.47мкф, С6=0.005мкФ, С7=0.0022мкФ, С8=0.001мкФ;
ОУ - 140УД8, 140УД20 или любые другие ОУ с внутренней коррекцией (желательно) и в типовом включении.
Элементы для схемы на рис.3 :
R1=11K,R2=100K(H4), R3=11K, R4=11K, R5=1.8K, Р6=500к(ВЧ), R7=1.8K, R8=280, R9=3.6K, R10=100K (СЧ), R11=3.6K;
С1=0.05мкФ, С2 - отсутствует, СЗ=0.005мкФ, С4=0.1 мкф-0.47мкф, С5=0.1 мкф-0.47мкф, С6=0.005мкФ, С7=0.0022мкФ, С8=0.001мкФ;
ОУ - 140УД8, 140УД20 или любые другие ОУ с внутренней коррекцией (желательно) и в типовом включении.
Пожалуйста Войти или Регистрация, чтобы присоединиться к беседе.
- Александр
-
Автор темы
- Не в сети
18 сен 2012 20:17 - 18 сен 2012 20:18 #10
от Александр
Александр ответил в теме Усилитель 100 Ватт на TDA7294
Вот такое мне надо
radiokot.ru/circuit/audio/other/17/
, но нигде не могу найти в продаже по интернету :( . Трансформатором ТС- 90-1 можно питать два усилителя на TDA7294? он у меня с телевизора ч/б.
Последнее редактирование: 18 сен 2012 20:18 пользователем Александр.
Пожалуйста Войти или Регистрация, чтобы присоединиться к беседе.
Модераторы: Doc