- Спасибо получено: 0
Определение выходной мощности
- Звук
-
Автор темы
Less
Больше
08 март 2007 19:55 #11
от Звук
Звук ответил в теме Определение выходной мощности
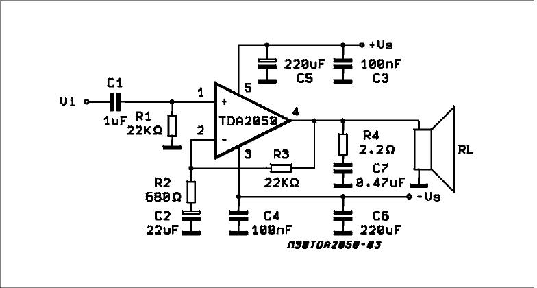
Ловите схему:
Вложения:
Пожалуйста Войти или Регистрация, чтобы присоединиться к беседе.
- Звук
-
Автор темы
Less
Больше
- Спасибо получено: 0
08 март 2007 19:57 #12
от Звук
Звук ответил в теме Определение выходной мощности
Ещё одна проблема возникла: те трансы которые я достал выдают нестабилизированного питания по 19,25В, после выпрямителя получу около 26-27В, много, надо до 24,5В хотя бы сбить. Так что он точно больше 30Вт выдаст.
Пожалуйста Войти или Регистрация, чтобы присоединиться к беседе.
- K01I
-
Less
Больше
- Спасибо получено: 0
09 март 2007 10:30 #13
от K01I
если даже и получится - стабилизатор на 24..25в(управляемы)
а мощность лучше мерить непосредственно когда собереш схему(синус и саму музыку)! - "невсе йогурты одинаково полезны"
K01I ответил в теме Определение выходной мощности
каким макаром это получится 26-27?Звук пишет: Ещё одна проблема возникла: те трансы которые я достал выдают нестабилизированного питания по 19,25В, после выпрямителя получу около 26-27В, много, надо до 24,5В хотя бы сбить. Так что он точно больше 30Вт выдаст.
если даже и получится - стабилизатор на 24..25в(управляемы)
а мощность лучше мерить непосредственно когда собереш схему(синус и саму музыку)! - "невсе йогурты одинаково полезны"
Пожалуйста Войти или Регистрация, чтобы присоединиться к беседе.
- Звук
-
Автор темы
Less
Больше
- Спасибо получено: 0
09 март 2007 11:39 #14
от Звук
Звук ответил в теме Определение выходной мощности
"каким макаром это получится 26-27? " - 19.25В умнож на 1.4, и получишь 26.95В. Но это только приблизительно. Обратно то оно не просядет, есле только немножко. С этим трансом, кондёрами в 100нФ и 220Мкф питание до 22В поднялось, а что будет есле я постявлю неполярный на 2.2Мкф, а полярные кондёры на 10000Мкф, представляешь как питание взлетит? (в фильтре по питанию)
Пожалуйста Войти или Регистрация, чтобы присоединиться к беседе.
- tomas111
-
Less
Больше
- Спасибо получено: 0
11 март 2007 16:48 #15
от tomas111
tomas111 ответил в теме Определение выходной мощности
Индикатор выходной мощности
h ttp://pavloff.newmail.ru/prist_aks. h tm
h ttp://pavloff.newmail.ru/prist_aks. h tm
Пожалуйста Войти или Регистрация, чтобы присоединиться к беседе.
Модераторы: Doc