- Спасибо получено: 0
Помогите сделать линейный вход в магнитоле
- Waraxeman
-
Автор темы
Less
Больше
10 янв 2010 06:36 #6
от Waraxeman
Waraxeman ответил в теме Помогите сделать линейный вход в магнитоле
как я понял два провода от одного джека садятся или на 11 и 12 или 14 и 15, правильно? или на любой вход и на корпус магнитолы?
Пожалуйста Войти или Регистрация, чтобы присоединиться к беседе.
- Waraxeman
-
Автор темы
Less
Больше
- Спасибо получено: 0
10 янв 2010 09:30 #7
от Waraxeman
Waraxeman ответил в теме Помогите сделать линейный вход в магнитоле
Подскажите а что это за разъемы? может быть если к какому нибудь чейндежр подключается то можно же и в нем сделать линейный... ведь так?
Под белым разъемом на обратной стороне платы подписаны контакты так:
TEL-SW
TEL-ON
S-GND
T/A-R
ACC
NC
GND
T/A-L
Под белым разъемом на обратной стороне платы подписаны контакты так:
TEL-SW
TEL-ON
S-GND
T/A-R
ACC
NC
GND
T/A-L
Вложения:
Пожалуйста Войти или Регистрация, чтобы присоединиться к беседе.
- Waraxeman
-
Автор темы
Less
Больше
- Спасибо получено: 0
10 янв 2010 10:26 #8
от Waraxeman
Waraxeman ответил в теме Помогите сделать линейный вход в магнитоле
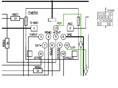
вот вроде бы распайка черного квадратного разъема у магнитолы АМ Panasonic CQ-C5355N, у меня наверное такой же, визуально выглядят один в один. Помогите разобраться куда подключаться то?
Вложения:
Пожалуйста Войти или Регистрация, чтобы присоединиться к беседе.
- Waraxeman
-
Автор темы
Less
Больше
- Спасибо получено: 0
10 янв 2010 13:09 #9
от Waraxeman
Waraxeman ответил в теме Помогите сделать линейный вход в магнитоле
точнее надо мне определить какие контакты замкнуть, чтоб магнитола определила что подключено устройство... кто нибудь знает?
Пожалуйста Войти или Регистрация, чтобы присоединиться к беседе.
Модераторы: Doc