Способ «Трансформатор» Аналоговый

Однофазный учет.
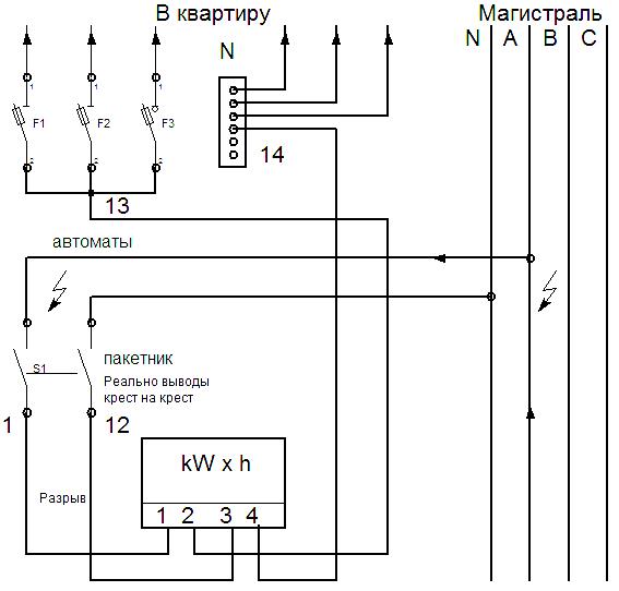
Основой данного способа является возможность пользоваться электроэнергией без учетного при неправильным подключение
счетчика. То есть ели на первую клемму счетчика приходит фаза необходимо исправить
это. Для этого надо выключить выключатель и поменять местами отходящие провода .Внешне это будет абсолютно незаметно. Ее л и у вас
частный дом при необходимости вы можете поменять местами провода на вводе в дом или на опоре .Возможно это придется делать под
напряжением или отключать воздушную линию. Данное действие не противозаконно счетчик будет продолжат работать нормально, более
того возможно при строительстве эта ошибка уже допущена (50 / 50) .Это надо проверить в первую очередь, поднеся индикатор напряжения
к первой (крайней левой) клемме счетчика.Если на крышке клеммной коробки счетчика отсутствует пломба энергоснабжающий организации
то проще всего поменять провода местами (клеммы 1 и 3) там.
Внимание. Если вам пришлось менять местами фазу и ноль Необходимо так же поменять местами провод, подключенньгй к автоматам с проводом, идущим на нулевую клемму (после счетчика). Иначе работать все будет но автоматы не будут защищать от коротких замыканий фазы на землю.

Вся информация, предоставленная на данном ресурсе разрешена к ознакомлению детям школьного возраста. Все практическое использование может быть связана с повышенной электрической опасностью и разрешено детям только под присмотром взрослых.