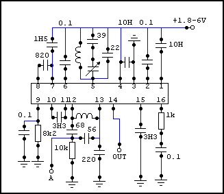
На самом деле это очень маленький приёмник (не смотреть на схему!), в нём нет электролитических конденсаторов и других крупных деталей. В заводского изготовления, он был смонтирован в корпусе от дискеты (только толще в 1,5-2 раза), в нём был встроен усилок, работающий на наушники, и ещё место осталось!
Это типовая схема включения и поэтому точных данных о катушках нет, известно что их индуктивность = 0,056 мкГ.
Микросхема очень маленькая (10x4x1.5 мм). В заводском варианте резисторы SMD, а конденсаторы и катушки утапливаются в дырки на плате и почти не торчат из неё.
FM приёмник на микросхеме KA22429
Doc
Просмотров: 11582