УКВ стереотюнер

 

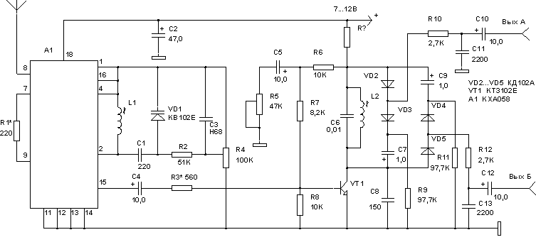
Тюнер собран на плате размером 7,5 х 5 см. Все постоянные резисторы - на 0,125 Вт, подстроечный резистор R5 - типа СП5-2ВА, переменный резистор R4 - СП1-А. Конденсаторы - типа КТ7. Варикап VD1 можно заменить на КВ901В. Вместо транзистора КТ3102Е можно использовать любой кремниевый, но с большим коэффицентом передачи. Катушки L1 и L2 намотаны на четырехсекционных каркасах диаметром 6мм с подстроечником марки 600 НН. L1 содержит 6 витков провода ПЭВ-2 0,25, L2 - 360 витков провода ПЭВ-2 0,12.
Налаживание тюнера заключается в настройке катушки L1 на верхнюю границу диапозона (108 МГц). Резистором R1 регулируют необходимую чувствительность. Резистором R3 добиваются того, чтобы не было перегрузки стереодекодера. Резистором R5 регулируют переходное затухание между каналами.
В заключении следует отметить, что слишком большую чувствительность устанавливать не следует, так как возрастут шумы.

Технические характеристики тюнера:
Диапазон принимаемых частот, МГц 67...108
Ток потребления, мА, не более 25

Обсудить эту статью на форуме (0 ответов).
Вся информация, предоставленная на данном ресурсе разрешена к ознакомлению детям школьного возраста. Все практическое использование может быть связана с повышенной электрической опасностью и разрешено детям только под присмотром взрослых.