
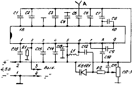
Конденсаторы Резисторы С1 - 220пф - 1шт С10 - 180пф -1шт. R1 - 22к - 1шт. С2 - 330/360пф-1шт. С 11 - 0,01мкф-1шт. R2 - 100к - 1шт. СЗ - 0,1-0,15мкф-1шт. С 12 - 220пф -1шт. R3 -100к-СПЗ-36-1шт. С4 - 220пф ~ 1шт. С 13 - 0,01мкф-1шт. Варикап KB 121 А-1шт. С5 - 220пф - 1шт. С14 - 0,01мкф--1шт, Э/проволока ПЭЛ-0,41- -10см С6 - 150пф - 1шт. С15 - 0,015-0,022мкф-1шт. ИМС КС1066ХА1 -1шт. С7 - 3300пф - 1шт, С 16 -0,1-0,15мкф - 1шт. С8 - 330-З60пф- 1шт. С9 - ЗЗООпф. - 1шт.
Приемники УКВ диапазона, имеющие частотную модуляцию и следовательно низкий уровень атмосферных и промышленным помех, обладают высоким качеством звучания. Набор радиодеталей позволяет собрать УКВ ЧМ приемник на базе микросхемы КС1066ХА1(аналог ТДА-7000 фирмы "Филипс"). В состав микросхемы входит регулятор бесшумной настройки ,открывающий тракт звуковых частот только при наличии сигнала принимаемой станции, Напряжение звуковой частоты на выходе приемника ~70МВ(на нагрузке 22к при напряжении 4,5 Вольт). Электронное устройство на базе варикапа KB 121 А позволяет перекрыть отечественный(65,8-73,0МГц)или зарубежный(88,О-108,0МГц)УКВ диапазоны. Выход приемника хорошо согласуется с любым усилителем низкой частоты с входным сопротивлением не менее 22К (усилители на ИМС К174УН7,К174УН14 и т.д.) Подключение УКВ приемника через головные телефоны показано на рис.1, а к усилителю на м/с К174УН14—на Рис,2.При напряжении: питания усилителя (на рис.2) выше 4,5 вольт, питание на УКВ приемник 4,5 вольт подавать через параметрический стабилизатор. К выходу радиоприемника можно подключить стереодекодер и таким образом получить возможность принимать стереопередачи,
Основные технические характеристики.Диапазон частот, МГц 65,8-73,0(88-108) Номинальное напряжение питания,В 4,5 Потребляемый ток, МА 8 Чувствительность, МКВ 6 Коэффициент гармоник на частоте 1 КГц 0,7 Отношение шум/сигнал, ДБ 50 Полоса захвата АПЧ, КГц +_300 Полоса воспроизводимых частот, КГц 10 Выходное напряжение ЗЧ,МВ(на нагрузке 22к) 70 Настройка приемника заключается в установке границ диапазона (65,8-73МГц путем сближения или растягивания витков катушки L1 (содержит 6-8 витков провода ПЭЛ 0,41мм,намотанных на оправке диаметром 3,5мм.с шагом 1мм или 3-4 витка для диапазона 88,0-108,0МГц). Антенной может служить телескопический штырь или небольшой отрезок монтажного провода длиной не менее 0,5м. |