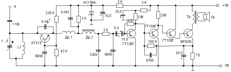
Сверхрегенеративный приемник на 144 МГЦ

Приведенная ниже схема сверхрегенеративного приемника может работать как составная часть простой портативной радиостанции на диапазон 144 МГц. Схема достаточно простая и особенностей не имеет. Чувствительность приемника около 10...15 мкВ.

Конструктивно схема выполнена на печатной плате. К сожалению, рисунок печатной платы после ее сборки у меня не сохранился (НБ).
Катушка L1 содержит 3 витка "серебрянкой" диаметром 0.8 мм, бескаркасная - на оправке диаметром 6 мм, длина намотки 4 мм. Др1 - стандартный 25 мкГ. Др2 - содержит 250 витков провода ПЭВ 0.1 на ферритовом кольце Н1000 диаметром 8 мм. Трансформатор Тр - выходной от транзисторного радиоприемника, если применяются высокоомные телефоны, то он не нужен. Транзисторы желательно применить более современные.  

 
 

www.radio-portal.ru__PR10

Обсудить эту статью на форуме (0 ответов).
Вся информация, предоставленная на данном ресурсе разрешена к ознакомлению детям школьного возраста. Все практическое использование может быть связана с повышенной электрической опасностью и разрешено детям только под присмотром взрослых.