Радиостанция "Пилот"

Несмотря на относительно малые габариты и вес, эта СВ (27 МГц) ЧМ-радиостанция имеет чувствительность приемника 0,15 мкВ и выходную мощность передатчика 1...1.5 Вт (при питании 9 В). Самое существенное отличие от большинства радиостанций аналогичного класса - система шумопонижения с плавной регулировкой. "ПИЛОТ", конечно, имеет и недостатки. Это, прежде всего, относительно низкая избирательность приемника по соседнему (40 дБ) и побочным (30 дБ) каналам, которая определяется параметрами фильтра промежуточной частоты (465 кГц).

  Регулятор шумоподавителя является одновременно регулятором чувствительности. Уровень шумов, прослушиваемых в громкоговорителе, уменьшается плавно, что дает определенные преимущества:
- обеспечивает возможность с помощью регулировки громкости и шумоподавителя установить максимальную чувствительность при приемлемом уровне шумов:
- позволяет судить о чувствительности приемника при конкретном уровне шумопонижения.

  Питается "ПИЛОТ" напряжением 6,3...12 В, потребляя не больше 10 мА в режиме дежурного приема. При передаче потребление тока -около 300 мА (при мощности 1 Вт). Данные о потребляемом токе приведены при номинальном напряжении питания 9 В и с эквивалентом антенны.

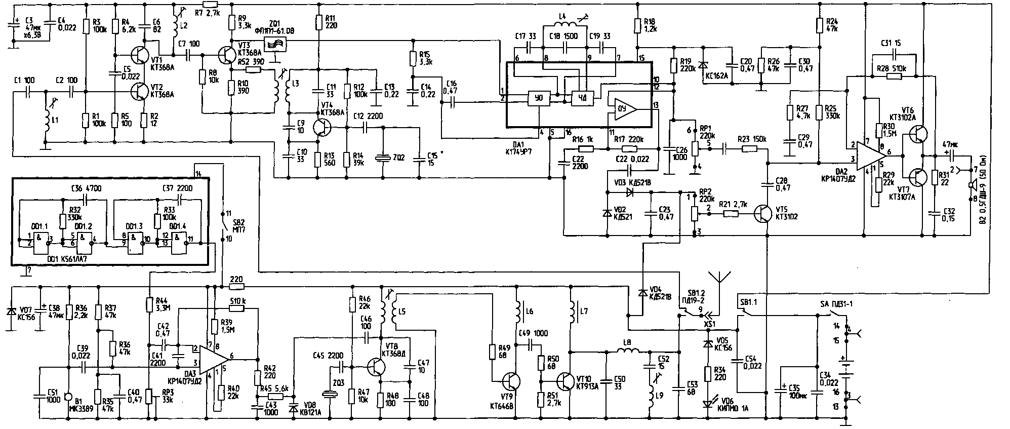
 Рис.1

Рис.1
 Входной сигнал (рис.1) с антенны через контакты переключателя SB1.2 (прием/передача) поступает на вход усилителя радиочастоты (УРЧ), выполненного по каскодной схеме на транзисторах VT1, VT2. С выхода УРЧ сигнал подается на вход смесителя (на базу VT3). На эмиттер VT3 приходит напряжение с катушки связи контура гетеродина, собранного на VT4. Рабочая точка транзистора смесителя определяется детектированием напряжением гетеродина. С выхода смесителя напряжение промежуточной частоты (465 кГц) через пьезофильтр поступает на вход микросхемы DA1. В микросхеме сигнал ПЧ усиливается усилителем-ограничителем (УО) и демодулируется частотным детектором (ЧД). Выходное напряжение последнего поступает на регулятор громкости RP1 и, параллельно, на неинвертирующий вход операционного усилителя (ОУ) в составе DA1, выполняющего функцию усилителя-фильтра ВЧ для шумоподавителя. С движка регулятора громкости сигнал приходит на усилитель звуковой частоты (УЗЧ), выполненный на операционном усилителе DA2 и транзисторах VT6, VT7 (выходной каскад), выход которого нагружен на громкоговоритель В2 (50 Ом).

Если на входе приемника нет сигнала, на выходе ЧД присутствует максимальный уровень шумов, который усиливается ОУ и подается на выпрямитель (VD2, VD3). Нагрузкой выпрямителя служит регулятор уровня шумопонижения RP2, с движка которого постоянное напряжение подается на базу аналогового ключа VT5. Открытый транзистор через конденсатор С28 шунтирует вход УЗЧ.

  При появлении сигнала на входе приемника, уровень шумов на выходе ЧД уменьшается, соответственно уменьшается степень шунтирования входа УЗЧ транзистором VT5, который шунтирует не только вход УЗЧ, но и выход ЧД через R23. Это приводит к уменьшению постоянного напряжения, открывающего VT5. За счет этой обратной связи достигается плавная работа шумоподавителя. Кстати, шумоподавитель легко превратить в пороговый заменой С28 на резистор 10...100 кОм.

  Задающий генератор (ЗГ) передатчика выполнен на транзисторе VT8 со стабилизацией частоты кварцевым резонатором ZQ3, работающим на основной гармонике. Такой выбор определен необходимостью получения достаточной девиации (1,5...2 кГц).

  Сигнал ЗГ усиливается по мощности двумя каскадами (VT9, VT10). Эти транзисторы работают в ключевом режиме. Фильтрация гармоник выходного напряжения осуществляется П-образным фильтром (С50, 18, С53), который также согласует выходное сопротивление каскада на VT10 с нагрузкой передатчика (500м).

  Последовательный колебательный контур (С52, L9) служит для лучшего подавления 2-й гармоники. Операционный усилитель DA3 является микрофонным усилителем-модулятором. Его выходное напряжение подается на варикап VD8, включенный в колебательный контур ЗГ. Питание DA3 стабилизировано для поддержания на одном уровне постоянного напряжения смещения варикапа, которое составляет ровно половину напряжения питания DA3.

  Подстроечным резистором RP3 регулируется коэффициент усиления модулятора. Частотная характеристика модулятора формируется двумя цепочками - С39, R36 и С42, RP3. К инвертирующему входу DA3 подключен выход генератора сигнала тон-вызова, который собран на микросхеме DD1. Сигнал представляет собой посылки частотой около 2500 Гц, с частотой повторения примерно 400 Гц. Такой сигнал хорошо разбирается даже при небольшом отношении сигнал/шум. Питание на микросхему DD1 подается через контакты кнопки SB2.

  Светодиод VD6, который конструктивно находится под движком выключателя питания, подключен к питанию передатчика через стабилитрон VD5 и резистор R34. Этот индикатор светится в режиме передачи до тех пор, пока напряжение батареи питания не упадет приблизительно до 6 В.

Радиолюбитель№7, 1999, c.39

Обсудить эту статью на форуме (0 ответов).
Вся информация, предоставленная на данном ресурсе разрешена к ознакомлению детям школьного возраста. Все практическое использование может быть связана с повышенной электрической опасностью и разрешено детям только под присмотром взрослых.