Радиостанция на 27 МГц с низкой ПЧ

В.СТАСЕНКО (RA3QEJ),
396600, Воронежская обл., г.Россошь, 
ул.Куйбышева, 62. Тел.:(07396) 2-28-97, 
E-mail: Адрес электронной почты защищен от спам-ботов. Для просмотра адреса в браузере должен быть включен Javascript. 
факс: (07396) 2-70-03.

Технические характеристики радиостанции:

Напряжение питания, В 
Чувствительность радиоприемника при отношении с/ш 3:1, мкВ  0,2
Выходная мощность передатчика, мВт  250 
Ток потребления в режим приема, мА   7
Ток потребления в режиме передачи, мА  90
Длина спиральной антенны, см  16 
Габариты, мм  150х70х20
Вес, кг  0,25

Радиостанция предназначена для личной радиосвязи в диапазоне частот 26965...27280 кГц. Она легко повторяема и практически не требует регулировки при правильном ее монтаже и исправных комплектующих изделиях. В ней использован лишь один кварцевый резонатор - в радиопередатчике. Промежуточная частота выбирается в диапазоне 3...5 кГц. При переходе в режим приема происходит сдвиг частоты кварцевого резонатора вниз на величину промежуточной частоты.

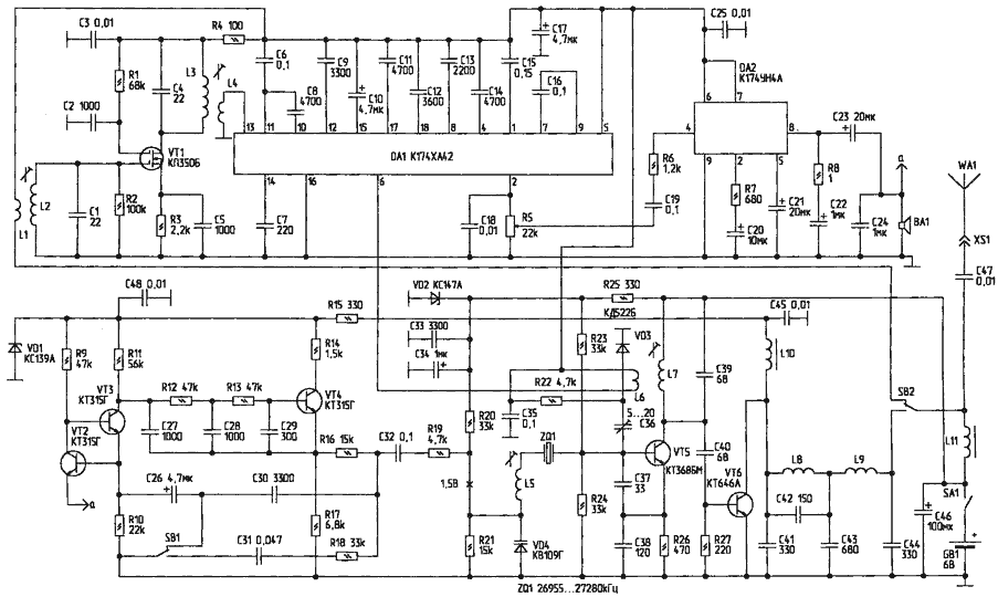
Принципиальная схема 
радиостанции.

Принципиальная схема радиостанции.

Сигнал из антенны WA1 через разъем XS1 поступает на кнопку SB2, которая коммутирует антенну и источник питания радиостанции при переходе с приема на передачу. На принципиальной схеме SB2 показана в положении радиоприема.

В режиме приема принятый сигнал с кнопки SB2 поступает на катушку связи L1, туда же поступает и напряжение питания радиоприемника. Входной контур С1, L2 настроен на рабочую частоту радиостанции. В УВЧ использовано полное включение входного контура благодаря большому входному сопротивлению полевого транзистора УВЧ VT1 типа КП350Б. Усиление УВЧ задается резисторами R1 и R2.

Нагрузкой УВЧ служит контур L3, С4, также настроенный на рабочую частоту. С выхода УВЧ принятый, отфильтрованный и усиленный сигнал через катушку связи L4 поступает на микросхему DA1 типа К174ХА42 (ее аналоги - TDA7000, KC1066XF1). Подробнее с этой микросхемой можно ознакомиться в [1].

На вывод 6 микросхемы DA1 поступает ВЧ-напряжение с гетеродина на транзисторе VT5. Входной сигнал поступает на вывод 13. Выходной НЧ-сигнал с движка регулятора громкости R5 поступает на УНЧ, выполненный на микросхеме DA2 типа К174УН4А, а с ее выхода - на динамическую головку ВА1.

В режиме передачи кнопка SB2 переводится в нижнее по схеме положение, при этом напряжение питания подается на микрофонный усилитель и выходной каскад передатчика. Задающий генератор на транзисторе VT5 работает постоянно. В режиме передачи диод VD3 закрыт, и частота генератора на транзисторе VT5 повышается на величину промежуточной частоты. Подстройка частоты по диапазону производится сердечником катушки L5, а ее сдвиг на промежуточную частоту - конденсатором С36.

В контуре L7, С39, выделяется сигнал с рабочей частотой - в режиме передачи, и со сдвигом на ПЧ вниз - в режиме приема. С катушки связи L6 сигнал кварцевого генератора подается на микросхему DA1, а с коллектора транзистора VT5 - на базу транзистора выходного каскада передатчика VT6 типа КТ646А. Выходной каскад передатчика работает в режиме С, его нагрузкой является двойной П-фильтр на элементах L8, L9, С41...С44. Контур L8, С42 настроен на вторую гармонику рабочей частоты. Далее сигнал с выхода передатчика через кнопку SB2 и разъем XS1 поступает в антенну WA1. В качестве микрофона используется динамическая головка ВА1 с сопротивлением 8...50 Ом.

Микрофонный усилитель радиостанции построен на транзисторах VT2 и VT3. Он немного ограничивает сигнал НЧ по амплитуде, при этом происходит расширение спектра сигнала. Сигнал НЧ поступает на ФНЧ, выполненный на транзисторе VT4 и элементах С27...С29, R12, R13.

Отфильтрованный НЧ-сигнал с резистора R19 поступает на варикап VD4 типа КВ109Г. Резисторами R21 и R20 на варикапе устанавливается постоянное напряжение +1,5 В. В задающем генераторе осуществляется частотная модуляция рабочей частоты в режиме передачи с девиацией 2,3...3 кГц.

SA1 служит для включения радиостанции.

Печатная плата радиостанции выполнена из двустороннего фольгированного стеклотекстолита толщиной 1,5 мм, причем фольга со стороны установки элементов сохранена полностью и удаляется методом зенковки лишь под выводами, не соединенными с общим проводом.

В радиостанции применены резисторы типа МЛТ-0,125, С2-23, С2-33 или им подобные. Переменный резистор R5 - типа СП4-ГМ с выключателем (SA1). Электролитические конденсаторы - типа К50-35, К50-41, К50-16 на рабочее напряжение не менее 6 В, остальные конденсаторы - типов КМ4, КМ5, КМ6, К10-17. Подстроечный конденсатор - типа КПКМ. Транзисторы VT3 и VT2 - типа КТ3102Е (можно использовать и другие - КТ315, КТ342, КТ358 и т.д.), VT5-KT368A, Б, КТ315, КТ316, КТ325, КТ355, КТ399 и т.д. Транзистор VT6 - типа КТ646А, можно также использовать КТ603, КТ608, КТ606, КТ610, КТ904, КТ911, варикап VD4 - КВ109, КВ110, КВ124.Д901 с любым буквенным индексом. При замене комплектующих следует учитывать, что использование некоторых из них повлечет за собой увеличение габаритов радиостанции и потребляемой энергии.

Катушки индуктивности L1, L2, L3, L4, L5, L6, L7 намотаны на каркасах диаметром 5 мм с подстроечными сердечниками от СБ-9 или от фильтров промежуточной частоты СВ-, ДВ-радиоприемников. Катушка L1 намотана поверх L2, L4 - поверх L3, а L6 - поверх L7. Катушки L8 и L9 - бескаркасные, на оправке диаметром 3 мм. Катушки L10 и L11 - на ферритовых кольцах типоразмера К7х4х2 проницаемостью 300...1000. Все катушки, кроме бескаркасных, намотаны проводом ПЭВ-2 и пропитаны клеем БФ-2. Намоточные данные катушек индуктивности приведены в таблице. Бескаркасные намотаны проводом диаметром 0,5 мм.

Катушка Число витков Диаметр провода, мм Диаметр каркаса, мм
L1 3 0,25 поверх L2
L2, 3, 4 18 0,25 5
L4 3 0,25 поверх L3
L5 25 0,15 5
L6    2 0,25 поверх L7
L7  18  0,25  5
L8  0,5  3
L9  0,5  3
L10, L11  15  0,25  К7х4х2

Налаживание радиостанции следует начинать с радиоприемника. Подав напряжение питания, проверяют работу усилителя низкой частоты микросхемы DA2. При подаче с генератора сигналов с напряжением 100 мВ и частотой 1 кГц, на выводе 8 должно быть выходное напряжение около 1 В. Регулятор громкости при этом должен находиться на максимуме. Далее подают напряжение с рабочей частотой и девиацией 3 кГц на разъем XS1, и вращением сердечников настраивают контуры L2, С1 и L3, С4 по максимальной громкости. При этом, возможно, понадобится более точно настроиться на рабочую частоту подстроечным конденсатором С36. Затем измеряют чувствительность приемника - она должна быть не менее 0,2 мкВ при отношении сигнал/шум 3:1.

Настройку передающего тракта начинают с задающего генератора. Обычно он начинает работать сразу. Сердечником катушки L5 необходимо выставить рабочую частоту. Затем вращением сердечника катушки L7 доводят до максимума его выходной сигнал, контролируя уровень на коллекторе транзистора VT5 по ВЧ-вольтметру. Затем, подключив в качестве эквивалента антенны резистор сопротивлением 51 Ом и мощностью 0,25 Вт, растяжением и сжатием витков катушек L8 и L9 добиваются максимального выходного напряжения на нем, которое должно быть не меньше 5...7 В.

Настройка модулятора сводится к установке на катоде варикапа напряжения величиной +1,5 В. Усилитель низкой частоты и фильтр начинают работать сразу. Необходимо лишь проверить работу генератора тонального вызова, переключив кнопку SB1 в нижнее по схеме положение.

Спиральная антенна намотана на полиэтиленовом стержне центрального диэлектрика от кабеля РК-50 или РК-75 диаметром 7...8 мм проводом ПЭВ-2 диаметром 0,5 мм, виток к витку, на длину 160 мм. Один конец этой обмотки закреплен на стержне, другой подключается ко входу радиостанции. Жила и оплетка удалены. Сверху антенна обматывается изоляционной лентой, или на нее одевается трубка из полихлорвинила соответствующего диаметра.

Антенна радиостанции достаточно узкополосная, и для эффективной работы требует настройки. Для настройки необходим простейший резонансный волномер на необходимую частоту. Отматывая или доматывая витки обмотки антенны, ее настраивают по максимуму отклонения стрелки резонансного волномера.

На этом настройка антенны заканчивается.

Испытания этой радиостанции показали, что дальность связи на открытой местности достигает 7...8 км, а в густо застроенных городских условиях - 2,5..3 км.

По вопросу приобретения чертежей печатных плат и сборочных чертежей просьба обращаться к автору, вложив в письмо конверт с обратным адресом и российскими марками.

Литература
1. Поляков В. Однокристальные ЧМ-приемники. - Радио, 1997, N 2.

Радиолюбитель 7 (2000)

Обсудить эту статью на форуме (0 ответов).
Вся информация, предоставленная на данном ресурсе разрешена к ознакомлению детям школьного возраста. Все практическое использование может быть связана с повышенной электрической опасностью и разрешено детям только под присмотром взрослых.