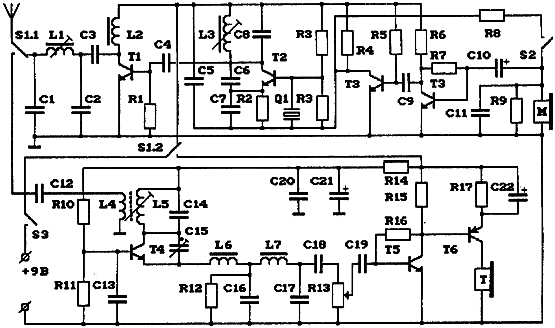
Представлен пример АМ-радиостанции на 27 МГц, обеспечивающей дальность связи на расстоянии 1-2км.

Элементы для схемы АМ-передатчика:
Rl = lK, R2 = 75, Р3 = 3.3к, Р4 = 1.2к, Р5 = 68к, Р6 = 3.3к, Р7 = 240к, Р8= 39к Р9=2.4к;
Р10 =3.9к, R11=510, R12=3.3K,.R13=10K, R14=100, Р15=3.9к, R16=240K, R17=lK;
C1=150, C2=120, С3=10н, С4=30, С5=10н-33н, С6=68, C7=200, C8=20, C9=0.1, С10=20мкФ, С11=0.022, С12=100-300, С13=1н, С20, C15=15-30, С16=1н, С17=1н, С18=0.1, С19=5мкФ, С20=10н-33н, С21=10мкФ, С22=20мкФ;
Tl - КТ603, Т2,ТЗ,Т4,Т5 - КТ3102, КТ315, Т6 - КТ361;