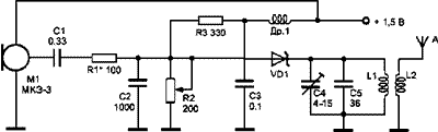
Основу этого устройства составляет схема высокочастотного генератора на туннельном диоде. Ток, потребляемый генератором от источника питания, составляет примерно 15 мА и зависит от типа туннельного диода. Тип туннельного диода может быть выбран, по усмотрению радиолюбителя, с током потребления не более 10-15 мА (например, диод АИ201А). 
Генератор сохраняет свою работоспособность при напряжении источника питания 1 В и выше при соответствующем выборе рабочей точки резистором R2. Дроссель Др1 наматывается на резисторе МЛТ 0,25 проводом ПЭВ 0,1 и содержит 200-300 витков. Чтобы провод не соскакивал с резистора, он периодически смазывается клеем "Момент", БФ-2 или другим. Индуктивность дросселя должна быть 100-200 мкГн. Дроссель может быть заводского изготовления. Катушка колебательного контура L1 выполнена без каркаса и содержит 7 витков провода ПЭВ 1,0 мм. Диаметр катушки 8 мм, длина намотки 13 мм. Катушка связи L2 так же, как и L1 - бескаркасная, намотана проводом ПЭВ 0,35 мм, 3 витка, диаметр катушки 2,5 мм, длина намотки - 4 мм. Катушка L2 располагается внутри катушки колебательного контура L1.
Настройка передатчика сводится к установке рабочей точки туннельного диода путем вращения движка подстроечного резистора R2 до появления устойчивой генерации и подстройке частоты колебаний конденсатором С4. Антенной является отрезок монтажного провода длиной примерно в четверть длины волны. Глубину модуляции можно изменять подбором сопротивления резистора R1. Сигнал этого передатчика можно принимать на телевизионный приемник.
Значительно упростить конструкцию радиомикрофона можно при использовании малогабаритных конденсаторных микрофонов, включаемых непосредственно в колебательный контур высокочастотного генератора.
Мощность излучения вышеприведенных устройств составляет доли единиц мВт. Соответственно, и радиус действия этих устройств составляет единицы - десятки метров
Миниатюрный радиопередатчик на тунельном диоде
Doc
Просмотров: 6479